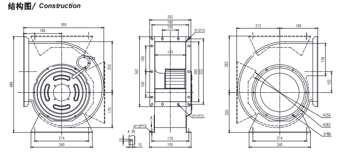
impulsor de 225 milímetros, fã centrífugo dianteiro da única entrada
A única entrada do fã centrífugo dianteiro com o impulsor de aço galvanizado dianteiro do diâmetro 225.
Este fã para a frente centrífugo é conduzido por um motor externo trifásico do rotor, assim que tem a construção compacta e características de pouco peso.
O modo da instalação do motor é a flange do motor fora do impulsor.


O serviço é a extensão da qualidade, com qualidade proeminente e o serviço leal para levar a cabo a maioria de satisfação dos clientes.
serviços da Pre-venda:
· Para fornecer usuários o suporte laboral das pre-vendas, e fornece usuários uma seleção personalizada ou as recomendações do projeto baseadas nas necessidades do local real.
· Usuário comummente para tornar-se aplicado à maquinaria específica da indústria do objetivo especial.
Venda dos serviços:
· De acordo com a ordem ou as exigências de usuário, a coordenação da meia ou o ciclo da produção.
· Forneça um plano detalhado da programação ou do projeto de produção ao usuário.
serviço da Após-venda:
· Para proporcionar serviços dos bens de uma vida para todos os fãs, a manutenção de equipamento incluída, peças sobresselentes fornece, fornece manuais e vídeo, etc.
· Para fornecer livremente o serviço de apoio remoto pelo telefone e pela rede.