Impulsor de alumínio da chapa metálica IP54 com o ventilador de refrigeração externo do centrifugador do rotor da eficiência proeminente
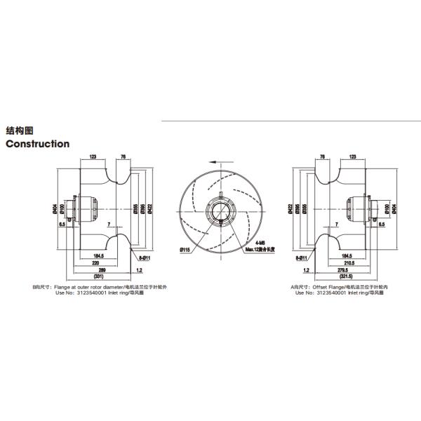
O fã tem diâmetros da lâmina de 400mm e para ser feito da AL-liga, a classe da proteção de fã é IP54.
Tem as vantagens do baixo torque e alta velocidade, tem uma eficiência de funcionamento mais alta e um mais baixo ruído ao trabalhar.
Pode ser uso para energias eólicas, geração das energias solares e a locomotiva.


O serviço é a extensão da qualidade, com qualidade proeminente e o serviço leal para levar a cabo a maioria de satisfação dos clientes.
serviços da Pre-venda:
· Para fornecer usuários o suporte laboral das pre-vendas, e fornece usuários uma seleção personalizada ou as recomendações do projeto baseadas nas necessidades do local real.
· Usuário comummente para tornar-se aplicado à maquinaria específica da indústria do objetivo especial.
Venda dos serviços:
· De acordo com a ordem ou as exigências de usuário, a coordenação da meia ou o ciclo da produção.
· Forneça um plano detalhado da programação ou do projeto de produção ao usuário.
serviço da Após-venda:
· Para proporcionar serviços dos bens de uma vida para todos os fãs, a manutenção de equipamento incluída, peças sobresselentes fornece, fornece manuais e vídeo, etc.
· Para fornecer livremente o serviço de apoio remoto pelo telefone e pela rede.