Fã centrífugo de baixo nível de ruído verificável da velocidade da entrada de Singla
Única entrada do fã centrífugo com o impulsor do diâmetro 250 e alojamento de aço galvanizados para a frente curvados do rolo. O fã é conduzido por um motor externo do rotor da fase do singla, assim que tem a construção e a luz compactas em características do peso. A velocidade do fã podia ser ajustada pelo controlador da tensão. É projetada com de baixo nível de ruído, uma vida útil longa, e fácil instalar.
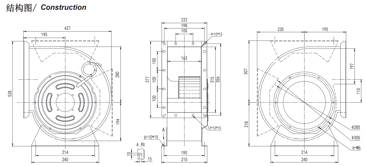
Há três posições de montagem para que os pés da montagem do fã adaptem sentidos diferentes da tomada de ar, com ou sem a flange da tomada. Igualmente customerized o comprimento do cabo.
Este rotor externo tem o rotor e o estator da moldação de alumínio com rolamento de esferas livres da manutenção. Opera-se confiantemente e é-se de poupança de energia e eficiente. O motor equipted com protetor térmico (TK), assegura a vida útil longa.
Este produto é amplamente utilizado na purificação do ar, nos aparelhos eletrodomésticos, na ATAC, do equipamento em refrigerar de equipamentos eletrônicos a ventilação etc., em industrial.


O serviço é a extensão da qualidade, com qualidade proeminente e o serviço leal para levar a cabo a maioria de satisfação dos clientes.
serviços da Pre-venda:
· Para fornecer usuários o suporte laboral das pre-vendas, e fornece usuários uma seleção personalizada ou as recomendações do projeto baseadas nas necessidades do local real.
· Usuário comummente para tornar-se aplicado à maquinaria específica da indústria do objetivo especial.
Venda dos serviços:
· De acordo com a ordem ou as exigências de usuário, a coordenação da meia ou o ciclo da produção.
· Forneça um plano detalhado da programação ou do projeto de produção ao usuário.
serviço da Após-venda:
· Para proporcionar serviços dos bens de uma vida para todos os fãs, a manutenção de equipamento incluída, peças sobresselentes fornece, fornece manuais e vídeo, etc.
· Para fornecer livremente o serviço de apoio remoto pelo telefone e pela rede.