O motor pode ser aplicado na frequência e na tensão diferente/aparência de prata
Refrigerar ótimo do motor e um design compacto conseguido através do motor externo verificável do rotor da tensão.
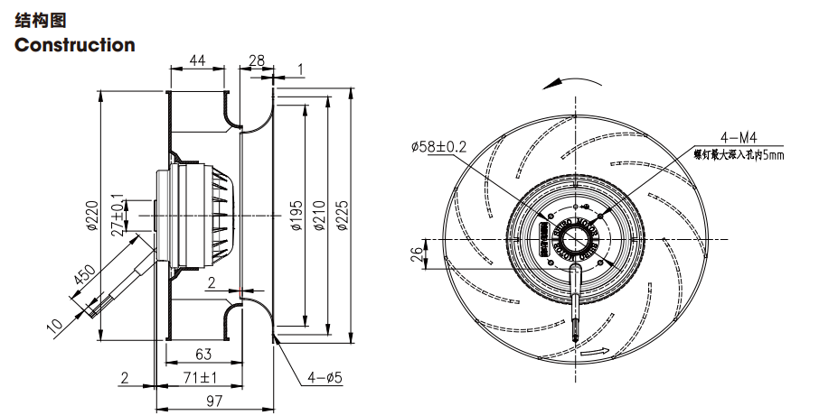
Os diâmetros do impulsor são 190 milímetros. O motor pode ser frequência e tensão diferentes aplicadas.
A solução total para o cliente, pronto-à-instala a série, este projeto para reduzir o risco causado pelo cliente em processo da montagem.


O serviço é a extensão da qualidade, com qualidade proeminente e o serviço leal para levar a cabo a maioria de satisfação dos clientes.
serviços da Pre-venda:
· Para fornecer usuários o suporte laboral das pre-vendas, e fornece usuários uma seleção personalizada ou as recomendações do projeto baseadas nas necessidades do local real.
· Usuário comummente para tornar-se aplicado à maquinaria específica da indústria do objetivo especial.
Venda dos serviços:
· De acordo com a ordem ou as exigências de usuário, a coordenação da meia ou o ciclo da produção.
· Forneça um plano detalhado da programação ou do projeto de produção ao usuário.
serviço da Após-venda:
· Para proporcionar serviços dos bens de uma vida para todos os fãs, a manutenção de equipamento incluída, peças sobresselentes fornece, fornece manuais e vídeo, etc.
· Para fornecer livremente o serviço de apoio remoto pelo telefone e pela rede.