Motor econômico de BLDC
Circunstâncias de trabalho rígidas aplicadas sem escova deste motor da C.C. da série W80 (diâmetro 80mm) no controle automotivo e na aplicação comercial do uso.
É projetado particularmente para clientes econômicos da procura para seus fãs, ventiladores, e purificador do ar.
Introdução de produto
Este motor de fã sem escova é projetado para os ventiladores e os fãs do ar, seu alojamento é feito pela folha de metal com ar exalou a característica e pode ser usado sob a fonte de energia da C.C. ou a fonte da alimentação CA também conectada com o controlador integrado AirVent.
Aplicação:
Ventiladores, ventiladores do ar, ATAC, refrigeradores de ar, fãs estando, fãs do suporte e purificador do ar e etc.
Especificações:
| Artigos | Unidade | Modelo |
| W80155 | ||
| Número de fase | Fase | 3 |
| Tensão avaliado | VAC | 230 |
| velocidade da Nenhum-carga | RPM | 3500REF |
| corrente da Nenhum-carga | Ampères | 0.2REF |
| Velocidade avaliado | RPM | 1400 |
| Poder avaliado | W | 215 |
| Torque avaliado | N.m | 1,45 |
| Corrente avaliado | Ampères | 1 |
| Força de isolamento | VAC | 1500 |
| Classe do IP | IP55 | |
| Classe da isolação | B | |
| Comprimento de corpo | milímetro | 155 |
| Peso | quilograma | 2,3 |
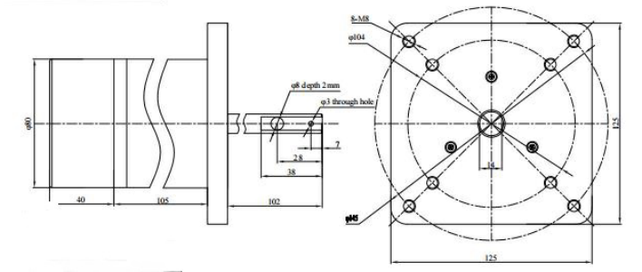
Desenho de esboço:

Curva:

FAQ
1. Que são seus preços?
Nossos preços são sujeitos à especificação segundo exigências técnicas. Nós faremos oferecemos-nos compreendemos claramente suas condição de trabalho e exigências técnicas.
2.Do você tem uma quantidade de ordem mínima?
Sim, nós exigimos todas as ordens internacionais ter uma quantidade de ordem mínima em curso. Normalmente 1000PCS, contudo nós igualmente aceitamos a ordem feito-à-medida com quantidade menor com despesa mais alta.
3.Can você para fornecer a documentação relevante?
Sim, nós podemos fornecer a maioria de documentação que inclui certificados de análise/conformidade; Seguro; Origem, e outros documentos da exportação quando for exigido.
4.What é o prazo de execução médio?
Para amostras, o prazo de execução é aproximadamente 14 dias. Para a produção em massa, o prazo de execução é 30~45 dias após ter recebido o pagamento do depósito. Os prazos de execução tornam-se eficazes quando (1) nós recebemos seu depósito, e (2) nós temos sua aprovação final para seus produtos. Se nossos prazos de execução não trabalham com seu fim do prazo, vá por favor sobre suas exigências com sua venda. Em todos os casos nós tentaremos acomodar suas necessidades. Na maioria dos casos nós podemos fazer assim.
os tipos 5.What de métodos do pagamento você aceita?
Você pode fazer o pagamento a nosso conta bancária, Western Union ou Paypal: depósito de 30% adiantado, equilíbrio de 70% antes da expedição.