transformadores atuais do contator da C.C. 0.5KV/3KV, dispositivos de proteção exatos da baixa tensão
| Transformadores LMZJ1-0.5 atuais |
| Parâmetro técnico |
| Modelo |
Avaliado relação atual (A)
|
Alimentação através voltas
|
Nível exato e avaliado Saída (VA) COSφ=0.8
|
Avaliado isolação nível (quilovolts)
|
| 0,5 |
1 |
0,5 |
1 |
| LMZ1-0.5 |
15/5 |
10 |
(5) (2,5) |
10 |
15 |
|
0.5/3 |
| 20/5 |
10 |
| 30/5 |
5 |
| 40/5 |
5 |
| 50/5 |
3 |
| 75/5 |
2 |
| 100/5 |
2 |
| 150/5 |
1 |
| 200/5 |
1 |
| 300/5 |
1 |
| 400/5 |
1 |
5 |
| 500/5 |
1 |
| 600/5 |
1 |
| 800/5 |
1 |
| 1000/5 |
1 |
10 |
15 |
20 |
50 |
| 1500/5 |
1 |
| 2000/5 |
1 |
| 3000/5 |
1 |
| 4000/5 |
1 |
| 5000/5 |
1 |
|
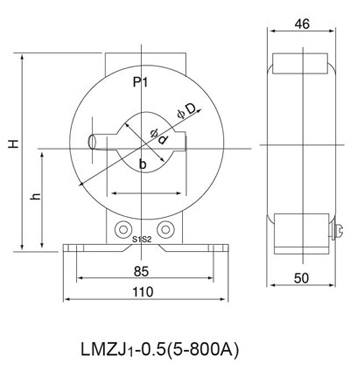
| Dimensões |
 |
| Mim dentro (A) |
H |
h |
φD |
φd |
a |
b |
| 5-300 |
115 |
67 |
87 |
32 |
10 |
33 |
| 400-600 |
121 |
68 |
96 |
43 |
11 |
53 |
| 750-800 |
140 |
80 |
115 |
50 |
12 |
63 |
|
 |
| Mim dentro (A) |
A1 |
A2 |
B |
h |
H |
L1 |
L2 |
C |
| 1000-1500 |
172 |
103 |
38 |
81 |
142 |
150 |
120 |
50 |
| 2000-3000 |
212 |
140 |
43 |
95 |
173 |
185 |
153 |
55 |
| 4000-5000 |
268 |
185 |
50 |
120 |
210 |
185 |
153 |
62 |
|
|
|