caixa de engrenagens do balanço da caixa de engrenagens PC228US-2 do balanço da caixa de engrenagens PC220-6 do balanço de 20Y-26-00151 20Y-260-0150 20Y-26-00153 20Y-26-00152 PC200-6
A caixa de engrenagens do redutor da movimentação do balanço gerencie a parte superior da máquina escavadora no chassi junto com o rolamento da engrenagem do gerencio.
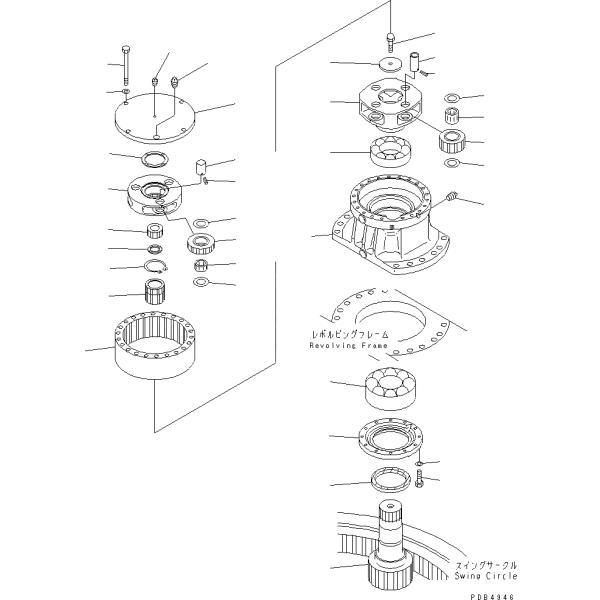
Em uma máquina escavadora de KOMATSU PC200-6, a caixa de engrenagens da maquinaria do balanço é uma parte integrante do sistema da maquinaria do balanço. É responsável para transmitir e converter o poder do motor do balanço à engrenagem do balanço, permitindo a rotação da estrutura superior.
Estão aqui alguns pontos-chave sobre a caixa de engrenagens da maquinaria do balanço em uma máquina escavadora de KOMATSU PC200-6:
Função: A caixa de engrenagens da maquinaria do balanço é projetada fornecer a multiplicação necessária da redução e do torque da engrenagem para conduzir a engrenagem do balanço e para girar lisamente e eficientemente a estrutura superior da máquina escavadora.
Redução da engrenagem: A caixa de engrenagens utiliza uma combinação de engrenagens, incluindo as engrenagens de dente reto, as engrenagens helicoidais, ou as engrenagens planetárias, para reduzir a entrada de alta velocidade da saída do motor do balanço e do torque do aumento para conduzir a engrenagem do balanço.
Lubrificação: A caixa de engrenagens da maquinaria do balanço exige a lubrificação apropriada assegurar a operação lisa e a longevidade. O óleo ou a graxa de lubrificação são usados para minimizar a fricção e reduzir o desgaste entre as engrenagens e outros componentes moventes dentro da caixa de engrenagens.
Selagem: A caixa de engrenagens é equipada tipicamente com os selos e as gaxetas para impedir o escapamento do óleo e para protegê-lo dos contaminadores externos, tais como a poeira, a sujeira, e a umidade, que poderia potencialmente causar dano aos componentes da caixa de engrenagens.
Manutenção e inspeção: A manutenção regular e a inspeção da caixa de engrenagens da maquinaria do balanço são essenciais identificar e endereçar todos os sinais do desgaste, do dano, ou das edições da lubrificação. Isto ajuda a assegurar o funcionamento apropriado do sistema da maquinaria do balanço e estende o tempo total da máquina escavadora.
É importante notar que os detalhes e as configurações específicos da caixa de engrenagens da maquinaria do balanço podem variar segundo o modelo e as especificações exatos da máquina escavadora de KOMATSU PC200-6. Para exato e a informações detalhadas em relação à caixa de engrenagens da maquinaria do balanço em uma máquina escavadora específica de KOMATSU PC200-6, recomenda-se consultar diretamente a documentação do fabricante ou o contato KOMATSU.
[1] - MAQUINARIA A. KOMATSU do BALANÇO 20Y-26-00151 [“SN: ”] Ancatalogs 102083-UP: [“20Y2600150”] |$0. Peso: 190 quilogramas.
[1] - MAQUINARIA A. KOMATSU do BALANÇO 20Y-26-00150 [“SN: 96514-102082”] ancatalogs: [“20Y2600151”] |$1. peso: 190 quilogramas.
[1] - CASO 1.20Y-26-22210 KOMATSU [“SN: ”] Ancatalogs 96514-UP: [] Peso: 76 quilogramas.
[1] - CARREGANDO 2.20Y-26-22330 KOMATSU China [“SN: ”] Ancatalogs 96514-UP: [“20Y2622331”, “20Y2622430”] peso: 3,28 quilogramas.
[1] - CARREGANDO 3.20Y-26-22340 KOMATSU China [“SN: ”] Ancatalogs 96514-UP: [“20Y2622342”, “20Y2622440”] peso: 9,6 quilogramas.
[1] - TAMPA 4.20Y-26-22191 KOMATSU [“SN: ”] Ancatalogs 97767-UP: [“20Y2622190”] peso: 4,6 quilogramas.
[1] - TAMPA 4.20Y-26-22190 KOMATSU [“SN: 96514-97766”] ancatalogs: [“20Y2622191”] peso: 4,6 quilogramas.
[12] - PARAFUSO 5.01010-81045 KOMATSU [“SN: ”] Ancatalogs 96514-UP: [“0101051045", “01010D1045”] peso: 0,039 quilogramas.
[12] - ARRUELA 6.01643-31032 KOMATSU [“SN: ”] Ancatalogs 80001-UP: [“802150510", “0164331030", “0164381032", “0164371032", “0164331022", “0164321032", “0164301032", “6127212530", “802170002", “R0164331032”] peso: 0,054 quilogramas.
[1] - SELO 7.20Y-26-22420 KOMATSU China [“SN: ”] Ancatalogs 97767-UP: [] Peso: 0,3 quilogramas.
[1] - SELO 7.07012-00125 KOMATSU China [“SN: 80001-97766”] ancatalogs: [] Peso: 0,142 quilogramas.
[- 1] - (20Y-26-22420,20Y-26-22191) |$$12.
[1] - EIXO 8.20Y-26-21141, OEM de KOMATSU de 15 DENTES [“SN: ”] Ancatalogs 96514-UP: [“20Y2621140”, “20Y2621142”] peso: 35 quilogramas.
[1] - PORTADOR 9.20Y-26-22170 KOMATSU [“SN: ”] Ancatalogs 96514-UP: [] Peso: 8,55 quilogramas.
[4] - ENGRENAGEM 10.20Y-26-22141, 36 DENTES KOMATSU China [“SN: ”] Ancatalogs 97709-UP: [“20Y2622140”] peso: 1,8 quilogramas.
[4] - ENGRENAGEM 10.20Y-26-22140, 36 DENTES KOMATSU China [“SN: 96514-97708”] ancatalogs: [“20Y2622141”] peso: 1,8 quilogramas.
[4] - CARREGANDO 11.20G-26-11240 KOMATSU China [“SN: ”] Ancatalogs 96514-UP: [“20G2611241”, “20G2611410”] peso: 0,24 quilogramas.
[8] - ARRUELA 12.20Y-27-21240 KOMATSU China [“SN: ”] Ancatalogs 96514-UP: [] Peso: 0,02 quilogramas.
13.20Y-26-22250 [4] - PIN Komatsu China [“SN: ”] Ancatalogs 96514-UP: [] Peso: 0,52 quilogramas.
14.20Y-27-21280 [4] - PIN Komatsu China [“SN: ”] Ancatalogs 96514-UP: [] Peso: 0,01 quilogramas.
[1] - PLACA 15.20Y-26-21240 KOMATSU [“SN: ”] Ancatalogs 80001-UP: [] Peso: 5,1 quilogramas.
[1] - PARAFUSO 16.112-32-11211 KOMATSU [“SN: ”] Ancatalogs 80001-UP: [] Peso: 0,09 quilogramas.
[1] - ENGRENAGEM 17.20Y-26-22151, 101 DENTES KOMATSU [“SN: ”] Ancatalogs 102083-UP: [“20Y2622150”] peso: 18,8 quilogramas.
[1] - ENGRENAGEM 17.20Y-26-22150, 101 DENTES KOMATSU [“SN: 96514-102082”] ancatalogs: [“20Y2622151”] peso: 18,8 quilogramas.
[1] - ENGRENAGEM 18.20Y-26-22131, 27 DENTES KOMATSU [“SN: ”] Ancatalogs 97709-UP: [“20Y2622130”] peso: 2,15 quilogramas.
[1] - ENGRENAGEM 18.20Y-26-22130, 27 DENTES KOMATSU [“SN: 96514-97708”] ancatalogs: [“20Y2622131”] peso: 2,15 quilogramas.
19.04064-07525 [1] - RING Komatsu [“SN: ”] Ancatalogs 96514-UP: [] Peso: 0,026 quilogramas.
[1] - ARRUELA 20.20Y-26-22220 EMPURRADA KOMATSU [“SN: ”] Ancatalogs 96514-UP: [] Peso: 0,04 quilogramas.
[1] - PORTADOR 21.20Y-26-22160 KOMATSU [“SN: ”] Ancatalogs 96514-UP: [] Peso: 5,1 quilogramas.
[3] - ENGRENAGEM 22.20Y-26-22120, 39 DENTES KOMATSU China [“SN: ”] Ancatalogs 96514-UP: [] Peso: 1,25 quilogramas.
[3] - CARREGANDO 23.20Y-26-21281 KOMATSU [“SN: ”] Ancatalogs 110071-UP: [“20Y2621280”, “20X2621240”, “20Y2621510”] peso: 0,1 quilogramas.
[3] - CARREGANDO 23.20Y-26-21280 KOMATSU [“SN: 80001-110070”] ancatalogs: [“20Y2621281”, “20X2621240”, “20Y2621510”] peso: 0,1 quilogramas.
25.20Y-26-22240 [3] - PIN Komatsu [“SN: ”] Ancatalogs 96514-UP: [] Peso: 0,367 quilogramas.
[1] - ENGRENAGEM 27.20Y-26-22110, 22 DENTES KOMATSU [“SN: ”] Ancatalogs 96514-UP: [] Peso: 0,4 quilogramas.
[1] - ARRUELA 28.20Y-26-22230 EMPURRADA KOMATSU [“SN: ”] Ancatalogs 96514-UP: [] Peso: 0,1 quilogramas.
[1] - TAMPA 29.20Y-26-22410 KOMATSU China [“SN: ”] Ancatalogs 96514-UP: []
[4] - PARAFUSO 30.01011-81450 KOMATSU China [“SN: ”] Ancatalogs 96514-UP: []
[4] - ARRUELA 31.01643-31445 KOMATSU [“SN: ”] Ancatalogs 96514-UP: [“0164301432"] peso: 0,019 quilogramas.
[1] - TOMADA 32.07042-30617 KOMATSU China [“SN: ”] Ancatalogs 96514-UP: []
[1] - TOMADA 33.07042-30108 KOMATSU [“SN: ”] Ancatalogs 96514-UP: [“0704220108"] peso: 0,008 quilogramas.
[1] - TOMADA 34.07042-30415 KOMATSU [“SN: ”] Ancatalogs 96514-UP: [] Peso: 0,056 quilogramas.

1. As peças da engrenagem são construídas para caber ao sistema genuíno da caixa de engrenagens da movimentação.
2. As peças da engrenagem são fornecidas restritamente de acordo com o catálogo de peças genuíno.
3. Todos os componentes da engrenagem são fabricados dos materiais com cuidado selecionados com padrão - a qualidade usando processos do tratamento térmico do processo de produção padrão — incluindo a carburação do caso, a nitruração, e o endurecimento de indução.
4. Estoque em excesso e os vários varioties das peças da engrenagem que cobrem a movimentação do final e do swign para acima a 70 toneladas de máquina escavadora. JCB DE KATO DE HITACHI KOMATSU HYUNDAI VOLVO DOOSAN KOBELCO SUMITOMO
1. Período de garantia: A garantia de 3 meses da data da chegada. Um período mais longo da garantia de 6 meses podia ser oferecido com nível dos preços mais alto.
2. Tipo da garantia: substituição das peças que têm o problema da qualidade.
3. A garantia é inválida para casos abaixo
* Cutomer dá erradamente a informação sobre a ordem
* força maior
* a instalação e operação erradas
* oxidação
* caixa forte ou caixa de madeira para componentes da engrenagem. Caixa de madeira para o conjunto da caixa de engrenagens
* métodos da entrega: Pelo mar, pelo ar ao aeroporto internacional local, expresse perto como DHL TNT FEDEX