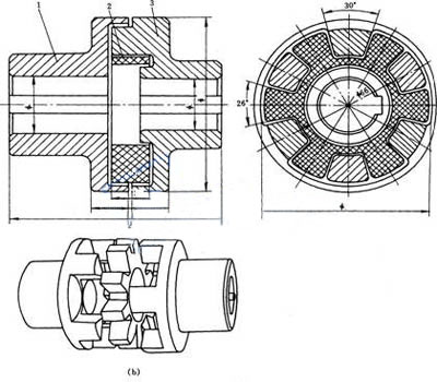
O tipo acoplamento da garra é um tipo do acoplamento da bomba de água, em que o bloco de deslizamento feito do bakerwood ou do poliuretano laminado, estrutura de pouco peso, simples, a instalação fácil, preço baixo, usado frequentemente nas ocasiões pequenas do poder, apropriadas para o torque não é grande, de alta velocidade, nenhum impacto afiado da conexão de dois eixos. O torque de nylon de transferência dos slideres é pequeno, mas mais apropriado para a operação de alta velocidade, e não exige a lubrificação, código do padrão do setor da bomba é Bl104.
(1) o tipo da garra que acopla o slider médio com baquelite ou nylon de pano fez;
(2) tamanho pequeno, estrutura de pouco peso, simples, a instalação fácil, preço baixo, usado frequentemente para ocasiões pequenas do poder;
(3) a força pequena da inércia, apropriada para o torque não é grande, de alta velocidade, nenhum impacto afiado da linha central dois
Pegare. O torque de nylon de transferência do slider é menor, mas mais apropriado para a operação de alta velocidade, e não precisa a lubrificação;
(4) o deslocamento radial relativo permissível (0.01d+0.25) milímetro, d é o diâmetro da linha central (milímetro); Minuto 40 relativo permissível de deslocamento angular 0; A força radial adicional do acoplamento é (0,1 ~ 0,3) P;
(5) o código do padrão do setor da bomba é Bl104, seu máximo - o torque permissível é 850N·m, o diâmetro máximo do eixo é 50mm
![]() |






O equipamento de transmissão de Jude do condado de Nanpi que fabrica o co., LTD. é as empresas que se especializaram no acoplamento da pesquisa e da produção. Igualmente nós podemos desenvolver produtos novos e volume-produção. Com experiência rica, equipe profissional do R&D e vário equipamento no acoplamento, tem circunstâncias superiores ao satisfeito suas exigências diferentes.
Os produtos principais da empresa são: todos os tipos dos acoplamentos para a indústria da maquinaria por todo o lado na palavra, tal como o acoplamento elástico radial, o acoplamento montado pneus, o acoplamento universal, o acoplamento da engrenagem do cilindro, o acoplamento elástico do formulário da flor da ameixa, o acoplamento do acoplamento rígido oldham, o acoplamento de corrente do rolo, o acoplamento do diafragma, acoplamentos elásticos de acoplamento do pino da luva da coluna, o pino de passador elástico, o acoplamento elástico do pino de passador, o acoplamento de eixo da bomba, etc….
Os conceitos de nossa empresa estão vivos na qualidade e tornam-se na honra. O acoplamento tem a vantagem de alta qualidade, preço baixo, modelos completos do produto. Nossa empresa será sua melhor escolha, e nós olhamos para a frente para cooperar com você.

Q1: São você empresa comercial ou o fabricante?
: Nós somos fábrica.
Q2: Você fornece amostras? são livre ou extra?
: : Sim, nós poderíamos oferecer a amostra mas não para livre. Realmente nós temos um princípio muito bom do preço, quando você faz o pedido em grandes quantidades custa então da amostra será do retorno a você.
Q3: Quanto tempo é seu prazo de entrega?
: Geralmente é 10-15 dias se os bens estão no estoque. ou é 7-25 dias se os bens não estão no estoque, ele é de acordo com a quantidade.
Q4: Quanto tempo é sua garantia?
: Nossa garantia é 12 meses.
Q5: Você tem procedimentos da inspeção para acoplar-se?
: auto-inspeção 100% antes de embalar
Q6. Que é seu pagamento?
: 1) 100% T/T. 2) 30% adiantado, outro antes da expedição. 3) L/C Q7: Posso eu ter uma visita a sua fábrica antes da ordem? : Certo, bem-vindo para visitar nossa fábrica.