Descrição dos produtos:
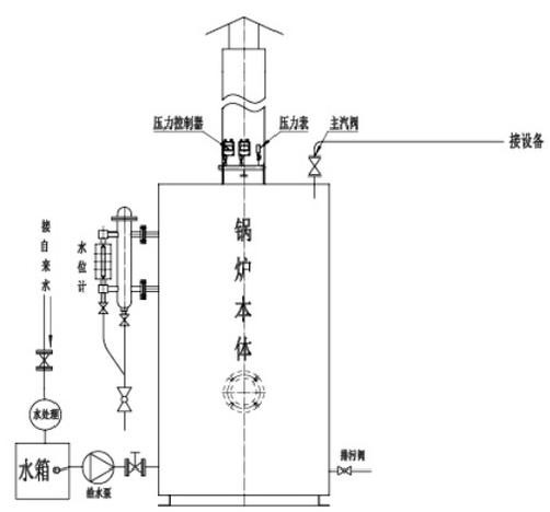
1.O gerador de vapor de inspecção vertical totalmente automático do tipo LSS é de estrutura tubular, com um processo de controlo global simples e preciso, elevada eficiência térmica, curto tempo de pré-aquecimento,e estrutura de arranjo de tubos em forma de arco, que torna a troca de frio e calor uniforme e alcança a pressão de fixação a uma velocidade mais elevada.
2A pressão do vapor pode atingir a pressão de deslgn em poucos minutos após o arranque. O dispositivo é controlado por um botão de arranque de um botão.controlo de pressão- protecção contra a escassez de água e alarme, desligamento automático da caldeira a um nível de água muito baixo, protecção contra a sobrepressão, válvula de segurança contra a sobrepressão e outras medidas de protecção.
3.Construído no dispositivo de saída de separação de água de vapor para garantir a qualidade do vapor de saída. A saída de vapor estável pode ser alcançada em 5-10 minutos sob condições de água fria,e fornecimento de vapor estável pode ser alcançado imediatamente sob a condição de água quenteO amortecedor de reabastecimento de água é equipado para evitar as flutuações de pressão óbvias durante o reabastecimento de água. O tempo de trabalho é reduzido e a eficiência de trabalho é melhorada.

Informações da empresa:
A Zhengzhou Sendian Machinery Equipment Co., Ltd. foi fundada em 2003, está localizada em Zhengzhou, especializada em design e fabricação de pesquisa e desenvolvimento de máquinas alimentares.Temos um grupo de especialistas e profissionais dedicados ao processamento de alimentos e embalagens equipamentos de linha de produção de máquinas.Temos excelentes engenheiros e pessoal de instalação de equipamentos de alta qualidade, com uma equipe profissional de serviços de comércio exterior, eles têm muitos anos de experiência na indústria de máquinas,Nós não só temos qualidade de primeira classe, serviço perfeito, mas também têm o equipamento de produção avançado do mundo e tecnologia,Damos as boas vindas aos novos e antigos clientes em casa e no exterior para entrar em contato conosco para a futura relação comercial para alcançar o sucesso comum!
Perguntas frequentes:
Pergunta 1:Quais são as suas vantagens em comparação com os seus concorrentes?
Resposta:
Com uma rica experiência na indústria e sistemas rigorosos de controlo da qualidade dos produtos, fornecemos:
1) Produto estável e fiável a um preço razoável
2) Bom serviço ao cliente: resposta rápida a qualquer consulta ou pergunta
3) Entrega pontual.
Pergunta 2: É fabricante?
Resposta: Sim, somos fabricantes com mais de 10 anos de experiência.
Pergunta 3: Quais são os seus termos de preço?
Resposta: O preço pode ser baseado em FOB, CFR ou CIF, etc.
Pergunta 4: Quais são os seus termos de pagamento?
Resposta: O pagamento será feito por T/T, L/C, ou D/P, etc., varia consideravelmente de acordo com a região em que se encontra.
Pergunta 5: Qual é a sua quantidade mínima de encomenda?
Resposta: Qualquer quantidade de pedido é calorosamente bem-vinda.
Pergunta 6: Tem manual em inglês para cada máquina?
Resposta: Sim. O manual de instruções, o relatório de ensaio e outras fichas de dados relacionadas serão fornecidos por nós.
Os nossos serviços
1Serviço de comunicação 24 horas
2A logística rápida irá proporcionar-lhe um serviço de entrega suave.
3Recomendação de novo projecto ou produto
4. Participar de exposições internacionais e ter negociações cara a cara com os clientes
5Se quiserem vir à China, enviaremos um convite formal.
6O serviço da recepção vai ajudar-te a reservar um bom hotel.