Especificações
Modelo N.O. :
PGB-700
Embalagem :
Cartões
Tamanho :
1100 mm e 800 mm e 1600 mm
N.O. :
310 kg
Colas utilizadas :
Eposídio de silicone PU de duplo componente, etc.
Relação :
De 1:1 a 10:1
velocidade de fluxo :
66g5s, personalizável
Bomba :
Patente de bomba de pistão de duplo cilindro
Nome :
Máquina de distribuição de cola de componentes electrónicos
Pacote de transporte :
Cartão de madeira revestido com PE espumante
Especificações :
CE & SGS
Marca comercial :
Daheng / OEM
Origem :
Guangzhou, China
Código Hs :
842489990
Capacidade de abastecimento :
50pcs/mês
Classificação automática :
Automático
Colando o modo :
Epoxi, silicone, PU e outros componentes duplos
Material de embalagem :
Plastico
Tipo de cola :
Bomba de pistão Daheng
Aplicação :
Maquinaria & hardware
Tipo de motor :
Eletrodomésticos
Personalização :
Disponível
Descrição

Partes electrónicas Máquina de colagem para mistura de potes


Modelo: PGB-700

Aplicações:Capacitor, fonte de alimentação, transformador, bobina de ignição, sensor reverso, placa de circuito, lastro eletrônico, outros produtos eletrônicos em que seja necessária a colocação de cola.

Áreas de aplicação:
1Produtos elétricos: Microsensores, sensores,bobina de ignição, componentes electrónicos, circuitos integrados, pasta de solda de placas de circuitos, fixa e proteção contra poeira e umidade, ecrã LCD de cristal líquido, alto-falantes, auscultadores, áudio, LED, lente óptica,Transformadores SMD, relés.
2Produtos de comunicação: Caixa de comunicação, teclado, ligação do invólucro do telemóvel, rádio, telefone, computadores, MP4, brinquedos electrónicos, ligação do chassi, interruptores, conectores, cabo de ligação.

Máquina de colagem de mistura de potes para duplos componentes



Materiais adequados:
Epoxies, uretano (PU) ou silicone.
Cola de dois componentes, cola AB, cola parcial AB, silicone, resina epóxi, poliuretano;

Todos os tipos de cola misturada de dois componentes com a relação exigida, tais como cola de resina epóxi AB, poliuretano, gel de sílica, cola PU, cola de floração, tinta, etc.

Máquina de colagem de mistura de potes para duplos componentes


Vaso de cola artificial VS Vaso de cola inteligente:
Máquina de colagem de mistura de potes para duplos componentes



Os problemas do envase manual:

1O envase de cola artificial depende inteiramente da operação manual, do desvio de proporção fácil e da mistura desigual
2O desperdício de cola é muito grave. É difícil controlar o fluxo do produto manualmente. O recipiente que a cola passa é muito grande, a cola de resíduos é um deles.o balde que se pega à cola em segundo lugar não é fácil de limpar, pode aumentar um monte de enchimento balde de cola para esperar o material consumível
3A consistência dos produtos é fraca e há muitos factores incontroláveis no processo de produção, tais como a má distribuição de cola, quantidade imprecisa de distribuição de cola,fácil impureza manual dos produtos, qualidade incontrolável de cada lote de produtos, consistência, produtos defeituosos, desperdício excessivo, aumento dos custos.
4O preenchimento manual de cola é lento e caro.
5É difícil de gerir, a mão-de-obra é cara, a flexibilidade não é forte, o recrutamento é difícil e a produção não pode ser garantida.

As vantagens da utilização de uma máquina de distribuição inteligente para a preparação de vasos:
1Função totalmente automática, proporção precisa e mistura uniforme
2• derramamento de cola durante a mistura, sem desperdício de cola e sem desperdício de consumíveis.
3. A quantidade de cola do produto é consistente e boa. A borda da máquina é limpa sem cola
4. Máquina de colagem de colagem, velocidade de colagem, custo relativamente menor
5Não há necessidade de pessoal de colagem, apenas um operador é necessário para concluir a produção em massa

Dados técnicos da máquina:
 
Número do modelo: PGB-700
Proporção de mistura 100- Não, não, não.
Precisão de medição ± 1%
Velocidade de saída 1 g/sec-15 g/sec
Precisão de mistura ± 1%
Modo de mistura Mistura dinâmica/mistura estática
Viscosidade da cola "Técnicas" para a obtenção de dados de dados de dados de dados de dados.
Modo de controlo PLC + Tela táctil
Sistema de controlo P&D independente
Modo de medição Motor passo a passo/alto grau de precisão, resistente ao desgaste,
longa vida útil da bomba de engrenagem
Tensão de funcionamento AC 220V 50Hz/60Hz
Requisito de potência 3.55KW
Requisito de pressão do ar 4.5-8 mpa
Dimensão da máquina 1500 ((L) * 1200 ((W) * 1500 ((H) mm
Peso Aproximadamente 260 kg
Ambiente de trabalho Umidade: 20%~98%RH; Temperatura: 0~+40°c

Máquina de colagem de mistura de potes para duplos componentes

Características:
1. Medição automática e mistura, sistema de controle PLC de tela sensível ao toque, interface de operação em inglês permitem fácil configuração de parâmetros;
2. Grande ecrã LCD exibe vários dados de processamento;
3. Programação fácil de pontos, listras, arcos, arcos compostos e padrões em diferentes planos;
4. A velocidade e o tempo de colagem podem ser definidos;
5. O ficheiro CAD pode ser importado e transformado em padrões de distribuição e descarregado via USB; (função opcional)
6. A proporção de mistura 1:1-1:10 e o volume de colagem podem ser definidos e ajustados de acordo com as necessidades reais.
7. Controlar, misturar e colar simultaneamente;
8. Dois tanques mantêm separadamente a cola A e a cola B;
9Sensor de nível de líquido, função de alarme;
10. Função de agitação do tanque e de desespumação a vácuo opcional;
11. Limpeza automática; O modo de limpeza pode ser manual ou automaticamente, modo manual apenas remover o tubo de mistura, em seguida, mergulhar em agente de limpeza, após 10 min tirar e limpar com ar comprimido,Modo automático só precisa operar o interruptor de limpeza na tela sensível ao toque dentro de 1 minuto para completar;
12Função de aquecimento do reservatório de cola/bomba de medição/tubo de cola (opcional);
13O controlo do vácuo impede que os fluidos finos gotejem;
14O sistema de controlo único, que não será influenciado pelo fator de pressão do ar, garante um desempenho óptimo de distribuição;
15O eixo XYZ pode ser programado para distribuir cola ao longo dos padrões desejados.

 
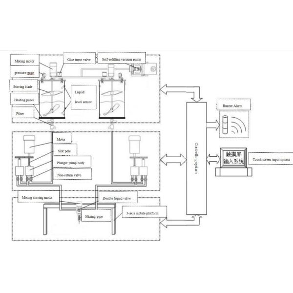
Descrição da máquina e princípio de funcionamento
Máquina de colagem de mistura de potes para duplos componentes



O sistema PGB-700 mede, mistura e distribui com precisão dois componentes de materiais de viscosidade média a baixa para junta, vedação, encapsulamento e preenchimento de seringas.1 a 10:1.
O sistema é composto por tanque de material, bomba de medição, motor de medição, tubo de material, válvula de dois componentes, motor para agitação dinâmica, tubo de mistura e braços robóticos de 3 eixos.Dois tipos de cola são separados antes de misturar no tubo de misturaA válvula de cola é com função de vácuo para evitar que o fluido fino goteje. Outras funções opcionais incluem:
Função de agitação do reservatório;
Função de desinfecção do reservatório;
Função de aquecimento do termostato no reservatório, no tubo e na válvula;


Vantagem da máquina automática de distribuição de cola:
Os robôs de distribuição automatizam a maioria dos processos de montagem de fluidos, garantindo depósitos rápidos e repetíveis sem confusão, desperdício ou erro.adesivo ou pastaSão fáceis de instalar e de executar e estes sistemas são fornecidos completos.





 
Envie sua mensagem para este fornecedor
Envie agora

Máquina de colagem de mistura de potes para duplos componentes

Pergunte o preço mais recente
Modelo N.O. :
PGB-700
Embalagem :
Cartões
Tamanho :
1100 mm e 800 mm e 1600 mm
N.O. :
310 kg
Colas utilizadas :
Eposídio de silicone PU de duplo componente, etc.
Relação :
De 1:1 a 10:1
Fornecedor de contacto
Máquina de colagem de mistura de potes para duplos componentes
Máquina de colagem de mistura de potes para duplos componentes
Máquina de colagem de mistura de potes para duplos componentes
Máquina de colagem de mistura de potes para duplos componentes
Máquina de colagem de mistura de potes para duplos componentes
Máquina de colagem de mistura de potes para duplos componentes

Guangzhou Zhengqi Technology Co., Ltd.

Active Member
2 Anos
guangdong, guangzhou
Desde 2003
Total Anual :
5000000-22000000
Número de trabalhadores :
100~120
Nível de certificação :
Active Member
Fornecedor de contacto
Exigência de submissão