Modulo do dispositivo de protecção contra raios utilizado para proteger a linha de alimentação
Descrição
O protetor contra sobrecarga, também chamado de protetor contra sobrecarga ou protetor contra sobrecarga, é um dispositivo indispensável para proteção contra raios ou sobrecarga de equipamentos eletrônicos.A função de um protetor de sobretensão é usar componentes como tubos de descarga de gás ou varistores para desviar sobrevoltagens transitórias, tais como raios poderosos ou ondas elevadas, que estão ligados a linhas de transmissão de energia ou sinal para a terra, limitando a faixa de tensão do equipamento ou sistema.O equipamento ou sistema protegido não será danificado pelo impacto de um aumento de tensão.
Características

| Categoria IIEC/classe de requisitos VDE/tipo EN | ||||||
| Voltagem nominal Un | 240VDC | |||||
| Voltagem nominal de retenção /Voltagem máxima de funcionamento contínua, Uc | 264VAC | |||||
| Ensaio de descarga de descarga de retenção | Corrente de ensaio de descarga de descarga para a classe I | - Não. | ||||
| Corrente nominal de descarga de onda de entrada e forma de onda de ensaio | 5kA | |||||
| Corrente de descarga máxima para a classe II& forma de onda de ensaio | 40 kA | |||||
| Nível de protecção até ao nível de entrada | 500 V | |||||
| Tempo de resposta | 25 ns | |||||
| Indicador de funcionamento do desconector | Verde ok, vermelho combustível | |||||
| Instruções de instalação | TN | |||||
| Corrente residual IPE | ≤ 1 mA (DC) | |||||
| ≤ 20 mA (AC) | ||||||
| Eu...SCCR | 500A | |||||
| Conector externo | Não | |||||
| Valor de ensaio da sobrevoltagem transitória (TOV) (sistema de baixa tensão) | TOV em modo resistente,UT= 85V,t=5s; UT= 111,5 V, t=120min | |||||
| Corrente prospectiva de curto-circuito para condicionamento de acordo com 8.3.5.3.2 | 1A | |||||
| Modo de proteção | L-PE,N-PE | |||||
| Tipo de caixa de isolamento | 420SE0 | |||||
| Classe de inflamabilidade em conformidade com a UL94 | V0 | |||||
| Grau de protecção em conformidade com a IEC 529/EN 60529 | IPX0 | |||||
| Normas de ensaio | O que fazer?61643-11 | |||||
| instalação | suporte de instalação | 35 mmtrilho padrão | ||||
| Tipo de condutor de instalação mm2 | 4 a 25 mm2 | |||||
| Fios | M6/M2 | |||||
| Torque | 4.5Nm/0.25Nm | |||||
| Contacto remoto | ||||||
| Dados de contacto | (Max. permanente. Tensão de funcionamento Umax | 250 VAC/30 VDC | ||||
| (Max. permanente. Corrente de funcionamento Imax AC | 1A | |||||
| (Max. permanente. Corrente de funcionamento Imax CC | 0.1A | |||||
| Tipo de condutor mm2 | 0.2 | |||||
| condições de exploração e armazenagem) | Temperatura de armazenagem°C | Temperatura de funcionamento °C | Humidade | pressão atmosférica | ||
| -40°C~+85°C | -40°C~+70°C | ≤ 95% ((25°C) | ≥ 74,8 Pa | |||
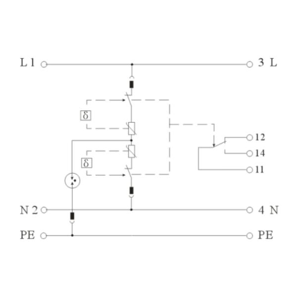
Diagrama de circuito básico

OBSERVAÇÃO DA EMPRESA
Xian Xiwuer Electronic and Info Co., Ltd.é uma empresa totalmente estatal com um capital social de 101,465 milhões de yuan (cambiado para 15,85 milhões de dólares), com um total de ativos de 315 milhões de yuan (cambiados para 49,22 milhões de dólares).Foi criada em 1976Atualmente, conta com cerca de 460 empregados, com um rendimento anual de 280 milhões de CN (cambiado para 43,75 milhões de USD).A empresa tem quatro bases de produção e negócios que cobrem uma área de 43052 metros quadrados, e uma área de construção de mais de 50000 metros quadrados.mais de 80 engenheiros com títulos técnicos superiores 12 técnicos que foram premiados com especialistas com contribuições excepcionais pelo governo municipal de Xian, e um perito que tem beneficiado de um subsídio especial do Conselho de Estado.
Os principais produtos incluem:
Eu...Pólus de Epóxi Inteligente Incorporado;
L Transformador de instrumentos integrado
Eu...Divisor de tensão capacitiva
Eu...Rogowski Coil
Eu...Rodas de condensadores de alta tensão;
Eu...Capacitores de filme de alta tensão;
Eu...Resistentes de alta tensão;
Eu...Equipamento e componentes inteligentes integrados primários e secundários com a função de:
Eu...Medição da tensão, medição da corrente, protecção, monitorização da temperatura e alimentação;
Eu...Componentes/peças/conjunto de média-alta tensão;
Eu...Dispositivo de protecção contra sobretensões do sistema de alimentação;
Eu...Chips para dispositivos de iluminação;
Eu...Varistor de óxido de zinco; termistor.
Os principais clientes:ABB, Schneider, GE, ZTE, XD Electric, XJ Electric, PingGao Electric e etc.
A empresa possui o Centro Técnico Provincial de I&D. A empresa tem experiências no desenvolvimento e fabricação dos principais produtos HV Ceramic Capacitor, SPD, Varistor,Thermistor e por quase 20 anosA empresa está em posição de liderança no mesmo setor.A empresa cresceu muito rapidamente com um sistema de gestão único que é a garantia fundamental para o desenvolvimento contínuo da empresa sob o sistema estatalNo noroeste da China, a empresa é a primeira a implementar os padrões ISO 9001 e a primeira a promover o uso de sistemas de gestão ERP, tendo obtido a aprovação ISO9001, ISO14001 e ISO45001,Assim, padronização e melhoria do nível de gestão da empresa.
Através da inovação tecnológica contínua, da investigação e desenvolvimento de produtos,e melhoria da qualidade, o principal desempenho técnico e a fiabilidade dos produtos estão no nível internacionalmente avançado, no mesmo nível que a Panasonic e a Siemens.Os produtos têm certificação UL, VDE, TUV, CAS, CE, CQC, RoHS e REACH.A empresa dispõe de equipamentos de produção avançados, entre os quais os principais equipamentos de produção e linhas de montagem modernas são importados do Japão, os EUA, a Alemanha, a Coreia e a Bélgica, incluindo 26 milhões de grandes fornos de túnel de sinterização8 linhas de montagem automática,O maior gerador de corrente de impulso de energia e uma série de equipamentos de ensaio especiais e equipamentos de ensaio ambientalNa mesma indústria na China, a empresa tem a maior capacidade de produção, o mais alto grau de automação com os métodos de teste mais completos.A empresa dispõe de dois laboratórios de ensaios de rotina com os mais avançados equipamentos de ensaios de relâmpagos e equipamentos de ensaios ambientais que cumprem as normas nacionais para a construção de laboratórios.. They are the significant laboratories supported by Shaanxi Province with professional testing technicians undertaking part of the supervision and inspection of electronic products in Shaanxi Province at the same time.
Acreditamos que somos capazes de fornecer bens e serviços satisfeitos aos clientes no país e no exterior com o preço mais razoável e o menor tempo de entrega.com base na nossa excelente capacidade de garantia de qualidade, capacidade de desenvolvimento técnico e experiências de fabrico.
Certificado


