Deslizamento material Ring With Stainless Steel Housing da escova de carbono do contato de cobre da grafite
O anel deslizante atual alto de CENO adota o projeto da escova de carbono que pode passar o poder atual alto em cada escova de carbono.
Atualmente, o ampère atual máximo até 2000Amp, abaixo de 1000A, o anel deslizante das escovas eletrônicas é recomendado; mais do que 1000A, as escovas de carbono deslizante o anel são recomendadas. Nós aplicamos tecnologia avançada em eficaz e os testes garantidos para assegurar o risco, porque saindo da fábrica, cada anel deslizante tem um teste da elevação da temperatura e um grande teste de impacto atual.
Toda a exigência, sente por favor livre contactar-nos nos, e recomendar-lhe-á o produto o mais apropriado.
Características
Aplicações
Opcional
Especificação
| BHCN-C-260-04P Especificação | Imagem | |
| Atual | 4*7.5A | ![]() |
| Tensão de avaliação | 1000VAC | |
| Material do contato | Grafite de cobre | |
| Força dielétrica | ≥ 2000V@50Hz | |
| Velocidade de trabalho | 0~10rpm | |
| Resistência de isolação | 10000MΩ @500VDC | |
| Flutuação da resistência | ≦70mΩ | |
| Manutenibilidade | Manutenção regular | |
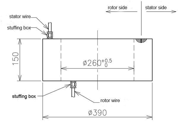
Desenho de esboço



Porque com CENO
CENO é uma tecnologicamente empresa no campo do anel deslizante que contrata a investigação e desenvolvimento, a fabricação e as vendas. Nós avançamos instrumentos do equipamento e do teste da elevada precisão para assegurar a qualidade de produtos e o desempenho seguro. A área da facilidade cobre 3000 medidores quadrados e encontra em Shenzhen China.

Certificação
ISO9001, CE, RoHS, UL, à prova de explosões

Vantagem de CENO
O membro em projetar a equipe tem mais de 10 anos de experiência no campo do anel deslizante. Os operadores trabalham no procedimento crítico todo são qualificados pelo treinamento interno.

O serviço CENO fornece
24 horas, serviço do consultante 7days.
Produção maciça e personalizada.
Solução que offerring para o sistema da rotação 360°.
Boa vinda para consultar-nos com seus pedidos para algum sistema da rotação 360°. Nós proporcionar-lhe-emos um serviço da parada oportuno respondemos seus inquéritos.