sistema contínuo da câmera da imagiologia térmica da refrigeração da onda média do zumbido F4 de 15-300mm
a especificação de sistema da imagiologia térmica F4 de 15-300mm é
MWIR avançado refrigerou a imagiologia térmica usada para a detecção interurbana.
O MWIR altamente sensível refrigerou o núcleo com definição 640x512 pode
produza a imagem muito clara com alta resolução mesma; o 15mm~300mm
a lente infravermelha do zumbido contínuo usada no produto pode eficazmente
distinga alvos tais como povos, veículos e navios na grande distância.

Imagem da imagiologia térmica Figure1
1 especificação técnica
1,1 detector
Detector MCT 640 ×512
Escala espectral 3,7 ~4.8μm
Passo 15μm do pixel
Método refrigerando Stirling Refrigerator
1,2 lente
Zumbido contínuo do ㎜ ㎜~300 da distância focal 15
F 4
1,3 desempenho
Escala do FOV 1.83°(H) ×1.46° (V) 36.5°(H) a ×29.2°(V)
Minutos do tempo refrigerando ≤8 na temperatura normal
Do formato padrão do AMIGO das saídas de vídeo sinal de vídeo análogo
Frequência 50Hz do quadro
℃ de 25mk@25 do ≤ de NETD
C.C. 24 da fonte de energia ~32 V, com polaridade do reverso do poder
proteção
℃ de 15W@25 do ≤ do consumo de potência, de estado estacionário
℃ de 30W@25 do ≤, pico de partida
Temperatura -30℃~55℃ da operação
Temperatura de armazenamento -40℃~70℃
1,4 comando e controle
Uma comunicação RS232 do controle
Correção manual da correção/correção do fundo
Interruptor quente quente do controle da polaridade/preto branco
Zumbido eletrônico eletrônico do zumbido ×2/×4
Realce de imagem sim
Exposição transversal sim
Imagem que gerencie horizontal/vertical
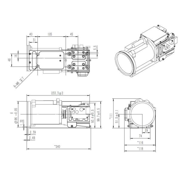
2 parâmetros físicos
Peso ≤2200g
Os tamanhos consideram abaixo
Figure2. Ilustração mecânica do tamanho
Definição de relação elétrica de 3 núcleos
Conector da tabela 1. (HARWIN: ) Definições do pino M80-5401605


Figure3. Diagrama de sequência do pino M80-5401605


