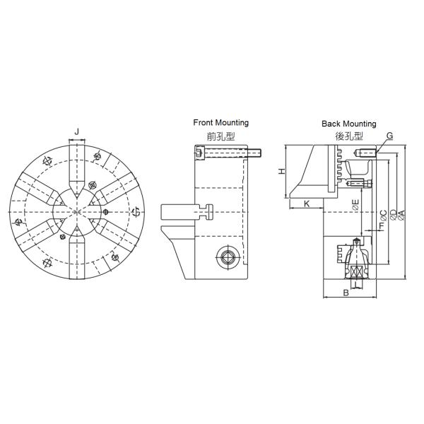
COMO TIPO MANDRIS do FURADOR 6-JAW

UNIDADE da especificação: milímetro
| MODEL/SPEC | Máximo RPM | Escala de O.D.Clamping milímetro |
Peso quilograma |
|---|---|---|---|
| AS-04 | 1200 | Ø2-Ø32 | 3,8 |
| AS-06 | 1200 | Ø3-Ø60 | 8,2 |
| MODEL/SPEC | A | B | C | D | E | F | G | H | J | K | L |
|---|---|---|---|---|---|---|---|---|---|---|---|
| AS-04 | 112 | 58 | 80 | 95 | 32 | 4,5 | 3-M8×1.25P | 45 | 14 | 46 | 8 |
| AS-06 | 167 | 65 | 130 | 147 | 60 | 5 | 3-M10×1.5P | 66 | 19 | 43 | 10 |
Assunto às mudanças da tecnologia sem informação prévia
As exigências não padronizadas podem ser feitas