parte traseira forte da planície do mandril do rolo de 4 maxilas maxilas de 2 partes (parte dianteira e parte traseira montadas)
As maxilas duras são adotadas para fazer à máquina fino quadrado ou octogonal dos workpieces do tubo.
As maxilas macias podiam prender o workpiece retangular após ser unisotropic feito à máquina.
A especificação é a mesma que SK datilografa.
O corpo é feito de MEEHANITE. É usado apropriadamente pela revolução de alta velocidade e 3 as épocas mais duráveis do que o material regular.

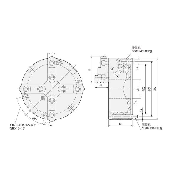
UNIDADE: milímetro
| Especs. Modelo |
A | B | C | D | E | F | GBack/parte dianteira | H |
|---|---|---|---|---|---|---|---|---|
| SIK-7 | 192 | 76,5 | 155 | 172 | 58 | 5,5 | 3-M10 / 3-M10x80 | 82 |
| SIK-9 | 232 | 84 | 190 | 210 | 70 | 6 | 3-M12 / 3-M12x90 | 96 |
| SIK-12 | 310 | 96 | 260 | 285 | 105 | 7 | 3-M12 / 3-M12x110 | 114,5 |
| SIK-16 | 405 | 122 | 345 | 375 | 160 | 8,7 | —/6-M14x130 | 148,6 |
| Especs. Modelo |
J | K | L | Permissível Punho Torque (‧ do kgf m) |
Preensão Força (kgf) |
Máximo. Velocidade (RPM) |
Peso (quilograma) |
Momento Da inércia Mim (‧ m2 do quilograma) |
Escala emocionante O.D. Escala Identificação. Escala |
|---|---|---|---|---|---|---|---|---|---|
| SIK-7 | 28 | 42 | 11 | 11 | 2500 | 2000 | 14,1 | 0,06 | Ø8-Ø180/Ø62-Ø170 |
| SIK-9 | 32 | 51,2 | 12 | 15 | 3000 | 2000 | 22,2 | 0,16 | Ø11-Ø220/Ø70-Ø210 |
| SIK-12 | 40 | 56,8 | 14 | 21 | 4200 | 1800 | 45 | 0,58 | Ø15-Ø300/Ø90-Ø290 |
| SIK-16 | 50 | 76,1 | 15 | 25 | 4500 | 1500 | 108 | 1,72 | Ø30-Ø380/Ø110-Ø360 |