1. Planície para trás
2. Acessórios padrão: maxilas duras de duas partes de 1 grupo
3. Precisão alta em apertar a repetibilidade

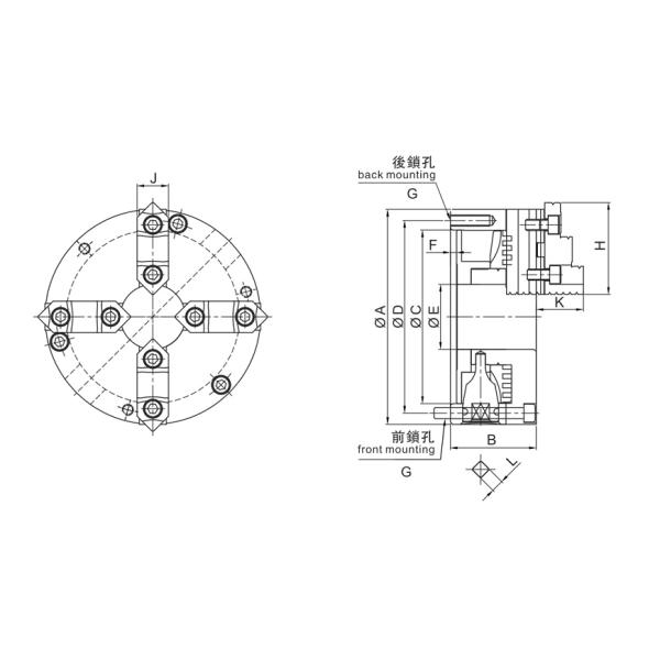
UNIDADE da especificação: milímetro
| Modelo/especs. | Máximo Permissível Torque N*m |
Máximo Emocionante Força KN |
Peso Quilograma |
RPM | O.D Clamping Range milímetro |
I.D. Clamping Range milímetro |
| SKF-04* | 44 | 12 | 3,1 | 2500 | 3-90 | 32-84 |
| SKF-05* | 63 | 15 | 4,4 | 2500 | 3-110 | 35-100 |
| SKF-06 | 88 | 31 | 11,4 | 2000 | 8-160 | 55-150 |
| SKF-07 | 107 | 31 | 12,2 | 2000 | 8-180 | 62-170 |
| SKF-08 | 128 | 33 | 16,2 | 2000 | 8-180 | 62-170 |
| SKF-09 | 147 | 37 | 21,2 | 2000 | 11-220 | 70-210 |
| SKF-10 | 176 | 46 | 28 | 1800 | 12-260 | 80-250 |
| SKF-12 | 206 | 55 | 41 | 1800 | 15-300 | 90-290 |
| SKF-14 | 225 | 55 | 54 | 1500 | 15-350 | 100-330 |
| SKF-16 | 245 | 60 | 74 | 1500 | 30-400 | 110-380 |
| Modelo/especs. | B | C | D | E | F | G | H | J | K | L | |
| SKF-04* | 112 | 58 | 80 | 95 | 24 | 4,5 | 3(4) - M8x1.25P | 46,5 | 19 | 31 | 8 |
| SKF-05* | 132 | 60 | 100 | 115 | 32 | 4,5 | 3(4) - M8x1.25P | 56 | 22 | 36 | 8 |
| SKF-06 | 167 | 66 | 130 | 147 | 45 | 5 | 3-M10x1.5P | 67 | 25 | 42 | 10 |
| SKF-07 | 193 | 76 | 155 | 172 | 58 | 5 | 3-M10x1.5P | 80 | 30 | 46 | 11 |
| SKF-08 | 203 | 76 | 160 | 176 | 58 | 5 | 3-M10x1.5P | 80 | 30 | 46 | 11 |
| SKF-09 | 233 | 84 | 190 | 210 | 70 | 6 | 3-M12x1.75P | 80 | 30 | 46 | 12 |
| SKF-10 | 273 | 86 | 230 | 250 | 89 | 5,5 | 3-M12x1.75P | 95 | 36 | 54 | 12 |
| SKF-12 | 310 | 96 | 260 | 285 | 105 | 7 | 3-M12x1.75P | 110 | 42 | 63 | 14 |
| SKF-14 | 355 | 122 | 300 | 328 | 127 | 7 | 6-M12x1.75P | 110 | 42 | 63 | 15 |
| SKF-16 | 405 | 122 | 345 | 375 | 160 | 8,5 | 6-M14x2P | 130 | 45 | 75 | 15 |
*Note: Os parafusos de montagem dianteiros são 4 PCes
Promessa especial do serviço pós-venda
Para todo o mandril manual da NTH precisão, nossa empresa garante os seguintes serviços de valor acrescentado:
1. Inspeção livre após o retorno a nossa fábrica.
2. Moedura livre para o arco de aperto das maxilas do mandril para fazer as maxilas encontrar o padrão original da precisão da fábrica.
3. Para fornecer livre o plano de manutenção.
4. Para os serviços acima, não importa como o mandril manual é usado por muito tempo, os usuários precisam somente de pagar o frete da viagem de ida e volta.
5. Se alguma parte danificada do mandril manual precisa de mudar, os usuários apenas pagam pelas peças novas.
Assunto às mudanças da tecnologia sem informação prévia
As exigências não padronizadas podem ser feitas