COM - Rolamento de esferas esférico de P, raça moldada, auto - lubrificando, projeto do entalhe do carregador
】 da descrição do produto do 【
Nossa série dos comp(s) é nossos precisão básica raça moldada e oferecimento reforçado metal dentro de nossa linha de rolamentos esféricos. Esta versão mais barata é apropriada para uma grande variedade de aplicações do OEM e do MRO que exigem o ajuste de imprensa ou o anel instantâneo retido carregando aplicações.
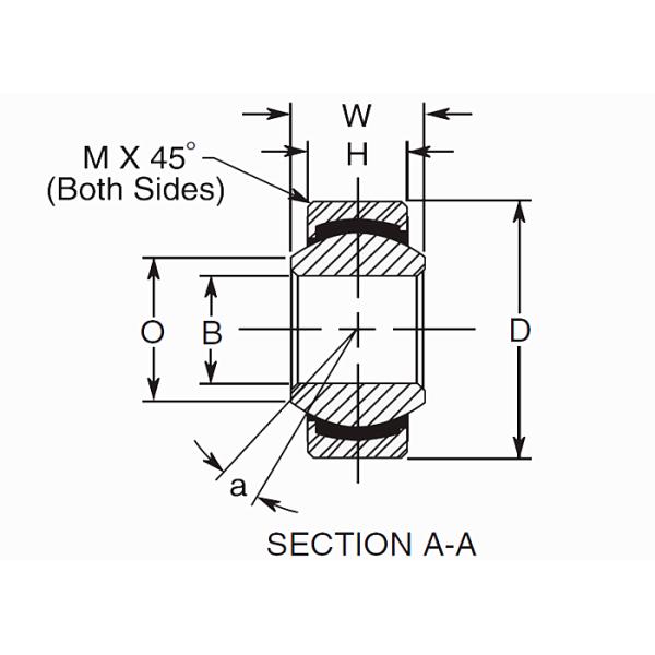
Nossos rolamentos esféricos dos comp(s) combinam o ajuste e a sensação populares de nossas extremidades de haste moldadas da raça com a força do projeto do entalhe do carregador, dando a força aumentada os comp(s). A raça plástica dos comp(s) faz o self-lubricating.COM-P de carregamento é mais econômica e mostra melhores características do desgaste e a melhor força do que outros rolamentos plásticos padrão da raça. A bola é carregada no entalhe chave e mantida dentro por ambos o nylon reforçado fibra de vidro e o alojamento do metal. Ao contrário dos rolamentos esféricos padrão, nosso projeto do alojamento dos comp(s) pode ser chapeado em todas as superfícies para a resistência de corrosão extra e não exige nenhum fazer à máquina após o conjunto.
|
】 Das aplicações do 【
】 Material do 【 |
】 Das características do 【 a força aumentada, fornece mais forte capacidade de carga radial e axial do que produtos moldados padrão da raça lubrificando a baixa fricção e a umidade desempenho resistente torque, adicionando a sua aplicação versatilidade superfícies para a resistência de corrosão extra temperaturas:
|
】 dos comp(s) do 【
Raça moldada, Auto-lubrificando,
Projeto do entalhe do carregador

