N20 DC motor escovado com caixa de engrenagens 1024, eixo de saída pode ser personalizado
Este é um motor N20 DC com uma caixa de velocidades 1024.
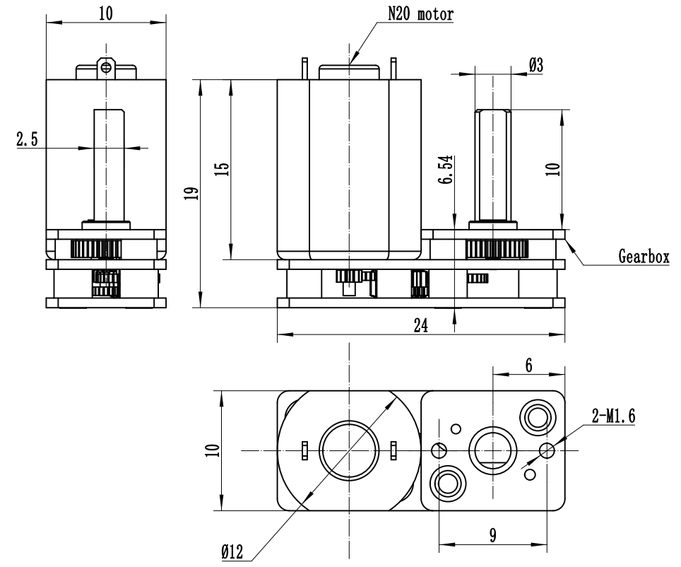
O motor N20 DC é também um motor DC escovado com uma velocidade sem carga de aproximadamente 15.000 RPM para um único motor.
Quando o motor está ligado a uma caixa de velocidades, ele corre mais devagar e com mais binário.
O eixo de saída deste motor é um eixo D e o cliente também pode escolher um eixo roscado, se necessário.
As caixas de velocidades estão disponíveis nas seguintes proporções: 10:1,30:1,50:1,100:1,150:1,300:1,323:1,483:1,500:1,668:1,945:1,1000:1, o cliente pode escolher a relação de engrenagem de acordo com as suas necessidades.
Quando a relação de engrenagem for inferior a 600:1, a altura da caixa de velocidades pode ser ajustada para 6 mm (versão abreviada).
A saída pode ser um eixo D com um diâmetro de 3 mm*D2,5 mm, ou um parafuso de condução M3, ou outro tipo de eixo personalizado.
| Número do modelo. | N20-1024GB |
| Tensão de accionamento | 5V DC |
| Resistência | 25Ω |
| Indutividade | 4 mH |
| Velocidade sem carga | 9000 RPM |
| Taxa de redução | 298:1 |
| Velocidade de saída sem carga | 25 RPM |
| Corrente sem carga | < 60 mA |
| Torque de saída | 800 g.cm. |
| Direção de execução | CW/CCW |


Os motores com escova de corrente contínua são os motores mais utilizados no mercado.
Os motores de corrente contínua têm escovas no interior, polos positivos e negativos (+ e -).
A velocidade do motor DC pode ser controlada com diferentes relações de marcha ou com PWM (modulação da largura do pulso)
Por meio de um impulso de binário da caixa de velocidades, o motor de CC pode atingir binários mais altos do que o binário original do motor.
Pode também ser instalado nas seguintes posições de acordo com as exigências do cliente:
Série 1024GB + motor N20 DC


| Proporção de engrenagem | 10:1 | 16:1 | 20:1 | 30:1 | 35:1 | 39:1 | 50:1 | 66:1 |
| Relação exata | 9.952 | 15.955 | 20.622 | 29.806 | 35.337 | 38.889 | 49.778 | 66.311 |
| Maldito dente | 14 | 20 | 18 | 14 | 18 | 18 | 15 | 18 |
| Níveis de engrenagem | 2 | 4 | 4 | 3 | 4 | 4 | 4 | 4 |
| Eficiência | 80% | 64% | 64% | 71% | 64% | 64% | 64% | 64% |
| Proporção de engrenagem | 87:1 | 102:1 | 153:1 | 169:1 | 210:1 | 243:1 | 297:1 | 350:1 |
| Relação exata | 87.303 | 101.821 | 153.125 | 169.383 | 209.402 | 243.158 | 297.071 | 347.972 |
| Maldito dente | 15 | 14 | 16 | 15 | 19 | 15 | 15 | 14 |
| Níveis de engrenagem | 4 | 4 | 5 | 5 | 5 | 5 | 5 | 5 |
| Eficiência | 64% | 64% | 58% | 58% | 58% | 58% | 58% | 58% |
Dispositivos médicos, campo da robótica, casa inteligente, acionamento de automóveis, aeronaves, eletrônicos de consumo, automação industrial, instrumentos ópticos e campo de equipamentos, etc.
1. mais barato (em comparação com os motores passo a passo)
2Tamanho menor.
3Conexão directa, fácil de usar
4Ampla gama de aplicações
5Velocidade de rotação rápida
6. Maior eficiência (em comparação com os motores passo a passo)
fora do comprimento do eixo (a cauda pode estar fora do codificador correspondente ao eixo),
A tensão,
A velocidade de rotação,
Modo de saída,
E conectores e assim por diante.
Prazo de entrega das amostras:
Motor padrão em existência: no prazo de 3 dias
Motor padrão não disponível: no prazo de 15 dias
Produtos personalizados: cerca de 25~30 dias (com base na complexidade da personalização)
Tempo de execução para a construção de um novo molde: geralmente cerca de 45 dias
Prazo de entrega para produção em massa: baseado na quantidade da encomenda
Embalagem:
As amostras são embaladas em esponja de espuma com uma caixa de papel, enviadas por express
Produção em massa, os motores são embalados em caixas de cartão ondulado com filme transparente no exterior. (envio por via aérea)
Se for enviado por via marítima, o produto será embalado em paletes

Para amostras e transporte aéreo, usamos Fedex/TNT/UPS/DHL.(5 a 12 dias para serviço expresso)
Para o transporte marítimo, usamos o nosso agente de transporte, e enviamos do porto de Xangai.(45 a 70 dias para transporte marítimo)
1- É um fabricante?
Sim, somos uma fábrica, e produzimos principalmente motores passo a passo.
2- Onde fica a sua fábrica?
Nossa fábrica está localizada em Changzhou, Jiangsu. Sim, você é muito bem-vindo a nos visitar.
3Pode fornecer amostras grátis?
Não, nós não fornecemos amostras grátis, os clientes não tratam as amostras grátis de forma justa.
4Quem paga os custos de envio?
Os clientes pagam o custo de envio. Nós vamos citar o custo de envio.
Se você acha que tem um método de envio mais barato / mais conveniente, podemos usar sua conta de envio.
5- Qual é o MOQ?
Não temos MOQ, e só pode encomendar uma amostra.
Mas recomendamos que encomende um pouco mais, no caso de o motor ficar danificado durante os testes, e você pode ter um backup.
6Estamos a desenvolver um novo projeto, pode fornecer um serviço de personalização?
Temos mais de 20 anos de experiência na indústria de motores passo a passo.
Desenvolvemos muitos projetos, podemos fornecer personalização completa do desenho do projeto para a produção.
Estamos confiantes de que podemos dar-lhe alguns conselhos / sugestões para o seu projeto de motor passo a passo.
Se está preocupado com questões confidenciais, sim, podemos assinar um contrato de confidencialidade.
7- Vende condutores?
Sim, vendemos condutores, só são adequados para testes temporários, não para produção em massa.
Não produzimos condutores, só produzimos motores passo a passo.