Cerco exterior de aço à prova de intempéries 19" da parede IP55 armário fixado na parede da fonte de alimentação do armário da bateria do equipamento
1 descrição do produto
1,1 configuração do armário
A configuração integrada exterior do armário deste projeto é como segue:
| Tipo do armário | Configuração | Quantidade | Especificações |
| Armário principal | cremalheira padrão de 19 polegadas | 1 | 10U |
| Suporte da bateria | 1 |
2 camadas Cada camada W×D×H 650×650×200 milímetro |
|
| Iluminação | 1 | 48V C.C., luz do diodo emissor de luz | |
| Permutador de calor | 1 |
Tensão entrada: DC48V capacidade da inversão térmica: 120W/K |
|
| Fã da emergência | 2 | C.C. 48V | |
| Aterrando a barra de cobre | 1 | M6 parafusos 10 | |
| Barra | 1 | M6 parafusos 10 | |
| Unidade da distribuição da alimentação de DC da C.A. e | 1 |
Entrada da C.A.: 63A/2P*1; Saída da C.A.: 63A/2P*1; Entrada de C.C.: 63A/1P *1; Saída da C.C.: 16A/1P*1; Saída da C.C.: 10A/1P*3; Saída da C.C.: 6A/1P*3 Tipo do interruptor: Schneider |
|
| Soquete | 1 | soquete universal de 8 bits, 220V 16A | |
| Fonte de alimentação encaixada | 1 |
Modelo: NetSure211 C23 DC48V, 40A, 1U unidade *1 da distribuição módulo *2 do retificador 20A monitorando o módulo *1 Tipo: Emerson |
|
| Sistema de monitorização ambiental | 1 |
unidade de monitoração do ambiente 1*, 1U, uma comunicação do SNMP; sensor do fumo 1*; sensor da água 1*; sensor da temperatura 1* & da umidade; sensor da porta 1* fonte de alimentação: DC48V |
|
| Placa de selagem baixa | 1 | 1 ajustado contém 8 partes, 2 blocos da parte dianteira para suportar |
1,2 material do armário
a única camada galvanizou de aço + isolação térmica:
Camada exterior: 1.5mm galvanizou a camada de aço, interna: isolação térmica de 20mm PEF
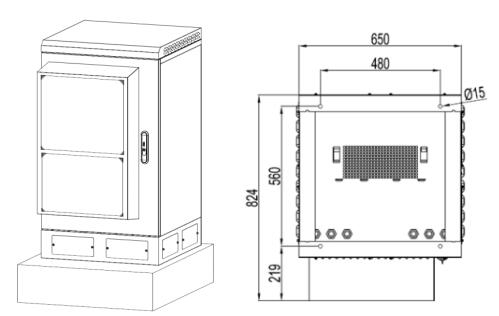
1,3 tamanho de armário
Tamanho externo: W×D×H 650×650×1150mm

A instalação de 2 armários
Montagem de 2,1 andares, montagem do polo, diagrama da montagem da parede
(1) montagem do assoalho

(2) montagem de Polo
Polo que monta etapas

Tamanho de Polo

montagem da parede (de 3)
Parede que monta etapas

Diagrama do tamanho da montagem da parede

2,2 placa da selagem da base
Se você precisa de selar a base do armário, use a placa da selagem da base (opcional) para selar o entalhe e o furo em torno da base. Os parafusos de montagem são os parafusos M5 de aço inoxidável no acessório do armário

3. Detalhes

4. imagem do armário
