válvulas de 5/2 de solenóide 4V210-06 de Airtac da maneira, 4V220-06, 4V230-06, 4V210-08, 4V220-08, 4V230-08
1.ISO9001: 2000, CE marcado,
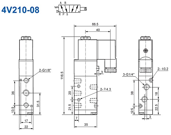
código 2.Ordering: 4V210-08,
tamanho 3.Port: 1/4"
4. de alta qualidade, bom preço
descrição 5.Detailed
| Modelo | 4V210-06 | 4V220-06 | 4V230C/E/P-06 | 4V210-08 | 4V220-08 | 4V230C/E/P-08 |
| Tipo da válvula | 2 maneira da posição 5 | 3 maneira da posição 5 | 2 maneira da posição 5 | 3 maneira da posição 5 | ||
| Área secional eficaz | 14mm2 (CV=0.78) | 12mm2 (CV=0.67) | 16mm2 (CV=0.89) | 12mm2 (CV=0.67) | ||
| Tamanho do porto | In=Out=Exhaust=G1/8” | In=Out=G1/4” Exhaust=G1/8” | ||||
| Meio de funcionamento | Ar (para ser filtrado pelo elemento de filtro 40μ) | |||||
| Teste padrão do movimento | Tipo interno do guia | |||||
| Pressão de funcionamento | 0.15~0.8MPa | |||||
| Pressão de teste máxima | 1.2MPa | |||||
| Temperatura ambiental máxima | 5~50o C | |||||
| Tolerância da tensão de funcionamento | -10%~+10% | |||||
| Consumo de potência | C.A.: C.C. 5.5VA: 4.8W | |||||
| Isolação | Classe de F | |||||
| Proteção | IP65 | |||||
| Prender/conector | Fio de ligação ou tipo do conector | |||||
| Freqüência do interruptor | 5 ciclos/segundos | |||||
| Tempo de resposta | 0,05 segundos | |||||
Dimensão:
