Aplicações
- Altimétricos
- Barômetros portáteis e estacionários
- Estações meteorológicas
- Aplicações do GPS
- Discos rígidos (HDD)
- Equipamento industrial
- Sistemas de controlo do ar
- Sistemas de vácuo
Benefícios
- Excelente para baterias e outras aplicações de baixa potência
- Não é necessário relógio externo
- Alta resistência aos meios de detecção
Características
- Sensor de pressão e temperatura calibrado em fábrica
- Tensão de alimentação: 2V a 5,5V
- Consumo de corrente: < 5 uA
- Corrente no estado de repouso: < 200nA (25°C)
- Intervalo de temperatura de funcionamento: -40°C a +85°C
- Precisão de pressão: < ± 0,2 kPa (< ± 2,0mbar) @ 25°C
- Precisão de temperatura: ±1,0°C
- Resolução de altitude superior a 1,0 m (50 cm) no modo ativo
Resumo
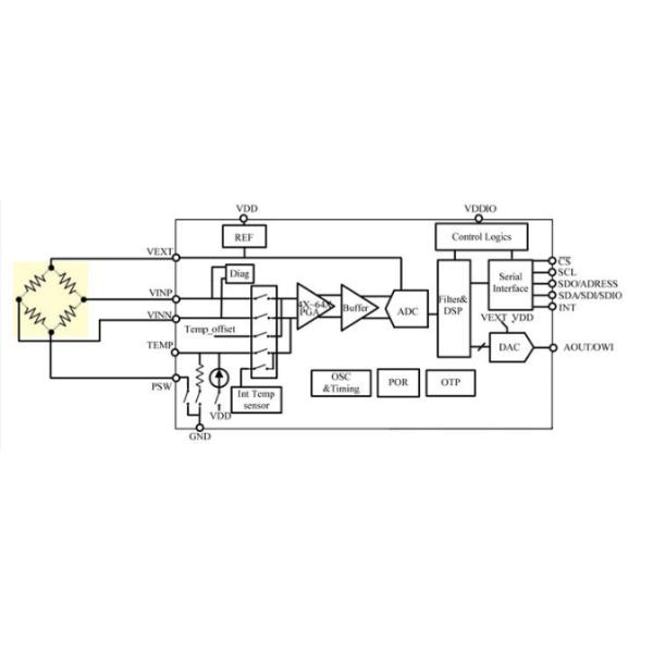
A solução SIP (System-in-a-Package) CPS123 é constituída por um sensor de pressão tipo ponte resistivo e um ADC de 24 bits para medições de pressão de alta resolução e precisão.A saída digital compensada por pressão e temperatura totalmente calibrada torna a solução CPS123 simples de usarO ADC é constituído por uma lógica de calibração interna que fornece medições precisas de pressão e temperatura para a aplicação através da interface I2C.Não é necessário baixar separadamente os coeficientes de calibração internos e fazer com que o microcontrolador host realize cálculos de compensação complicados.
Interfaces
- I2CTM* Compatível (≤ 400 kHz)
Características físicas
- Fator de forma pequeno, 2,5 x 2 x 1 mm (w x l x h)
- Pacote LGA, 8 Chumbo
- Porta de detecção lateral superior
Diagrama de blocos CPS123

TABELA1:Informações de encomenda

Características de funcionamento
1.1Classificações absolutas

1.2CONDIÇÕES DE OPERAÇÃO

1.3Parâmetros elétricos
