Parâmetros do produto:
| Número da peça de LINK-PP | LPJG17102-8ADNL |
| Aplicação-Lan | ETHERNET (não ponto de entrada) |
| AutomDX | SIM |
| Circuito do Bst | SIM |
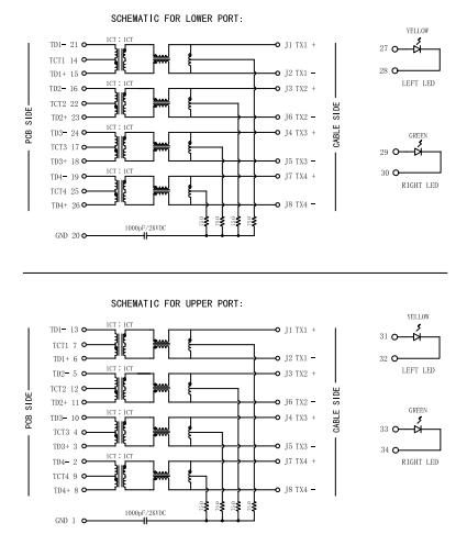
| Configuração RX | T, C |
| Configuração TX | T, C |
| Chapeamento de acoplamento da área do contato | ””/15u/30u” do OURO 6u |
| Núcleos pelo porto | 8 |
| Diodos | NENHUNS DIODOS |
| Opção do diodo emissor de luz | YELLOW/GREEN |
| Trava | ABA UP/TAB PARA BAIXO |
| Número de portos | 2X1 |
| PWB | FR4 |
| Ângulo da montagem do PWB | ENTRADA LATERAL |
| PWB que retém o cargo | CARGO DE T |
| Altura do pacote (milímetro) | 26,90 |
| Comprimento do pacote (milímetro) | 33,80 |
| Largura do pacote (milímetro) | 16,80 |
| Tipo do Pin | SOLDA DE THT |
| RoHS complacente | YES-RoHS-5 COM LIGAÇÃO na ISENÇÃO da SOLDA |
| Busca | SIM |
| Abas do IEM do protetor | COM |
| Velocidade | Base-t 1000 |
| Temperatura | -40 A + 85℃ |
| Relação RX das voltas | 1CT: 1CT |
| Relação TX das voltas | 1CT: 1CT |

Aplicações:

FAQ
Q: Quanto tempo prazo de entrega?
A: Série RJ45/RJ11: 12~20 dias
Série de SFP: 25~30 séries de USB dos dias: 7~15 dias
Conector: 7~15 dias
Q: Como posso eu obter a cotação?
A: É útil para nós recomendar o artigo direito se nós conhecemos suas exigências do detalhe
(do número do diodo emissor de luz do porto, protegida ou não-protegido, conduzida ou o duplo, com ou sem o transformador etc.).
O desenho e a cotação serão enviados em conformidade. Naturalmente, é o melhor se nós temos seu desenho.
Q: Posso eu ter amostras?
A: As amostras estão disponíveis para a avaliação.
Q: Estão o OEM & o ODM disponíveis?
A: OEM&ODM são bem-vindos.