| Número da peça de LINK-PP: | LPJ1149AGNL |
| Número da peça transversal: | XPJH-01D-1-D25-110/XMH-01-1-PP1-111-1P0 |
| Velocidade: | 10/100 de base-T |
| Número de portos: | ÚNICO |
| Aplicação-Lan: | Ethernet (ponto de entrada) |
| Trava: | Para baixo |
| Tipo do PIN: | Solda de THT |
| Temperatura: | 0 + a 70 |
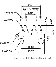
| Altura do pacote (milímetro): | 13,45 |
| Comprimento do pacote (milímetro): | 25,25 |
| Largura do pacote (milímetro): | 16,15 |
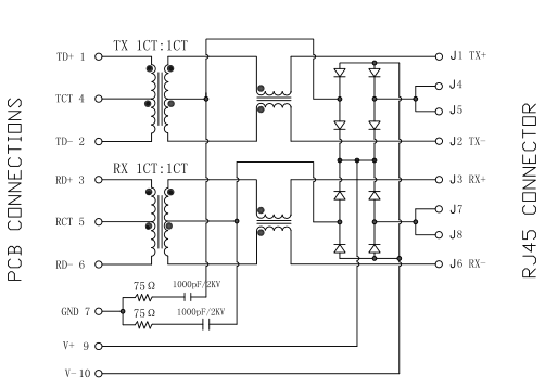
SPECFICATIONS BONDE @25℃
relação 1.Turn: 1CT: 1CT %%P3%P (P1-P2: J1-J2)
(P3-P6: J3-J6)
2.OCL (100KHz, 0.1Vrms, 8mA):
(P1-P2, P3-P6) minuto 350uH
3.DCR:
(P1-P2, P3-P6) 0,9 OHMS máximo
perda 4.Insertion:
0.1-100MHz: -1.1dB máximo
perda 5.Return:
0.5-30MHz: Minuto de -18dB
40MHz: Minuto de -15.5dB
50MHz: Minuto de -13.6dB
60-80MHz: Minuto de -12dB
conversa 6.Cross:
1-100MHz: Tipo de -38dB
rejeção do modo 7.Common:
0.1-30MHz: Tipo de -50dB
30-60MHz: Tipo de -40dB
60-100MHz: Tipo de -30dB
8.Isolation: 1500Vrms

