Os produtos da máquina de Post Roll Forming da cerca têm pedidos específicos para a cerca do jardim e a casa e a exploração agrícola e assim por diante. Como o pioneiro do rolo que forma máquinas para fabricar a indústria, nós igualmente proporcionamos o serviço personalizado para nossos clientes.
O rolo do cargo de Saibo que forma a máquina é controle de computador totalmente automático, produção automática, computador importado do controlador de Alemanha Siemens, medida exata do comprimento, tela táctil da grande tela, fácil de operar, o sistema de controlo pode ser ajustado na língua diferente dos países, pode entrar uma variedade de dados da produção de cada vez, o rolo do cargo de Saibo que forma a máquina é produzido automaticamente em ordem, para trazer-lhe ao mesmo tempo a conveniência. O rolo do cargo de Saibo que forma a máquina é usado principalmente na produção da cerca. O rolo do cargo de Saibo que forma a chapa metálica processada máquina é conectado com uma série de quilhas para formar cercas pequenas tais como jardins, casas de campo, e pátios.
Especificação principal
| Não | Especificação do material | |
| 1
| Material apropriado | Aço carbono |
| 2
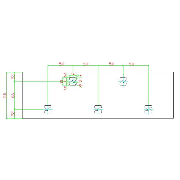
| Largura da matéria prima | 110mm |
| 3 | Espessura | 1.5mm |
| 4 | Tolerância | Comprimento do tamanho ±1mm do perfil: ±1.5mm |
Desenho do perfil:


A carta do fluxo de processo

— Perfurando — tabela dealimentação manual do Formar-corte-Para fora do rolo
Especificação dos componentes
| Não | Especificação técnica & observação | |
| 1 | Un-coiler manual
|
|
| 2 | Nivelando a parte
|
|
| 3 | Perfuração
|
|
| 4 | Rolo principal que forma a máquina
|
|
| 5 | Sistema de corte hidráulico
|
|
| 5 | Sistema hidráulico
|
|
| 6 | Armário de controle do computador
|
|
| 7 | Para fora tabela
|
|
6. Garantia
1: Garantido contra os maus funcionamentos devido aos defeitos de fabricação por 1 ano após a data da expedição. Os reparos serão feitos gratuitamente.
2: Os reparos não estarão livres executado da mudança mesmo durante o período de garantia no seguem circunstâncias
- Dano ocorre devido a uma catástrofe natural
- O mau funcionamento ocorre devido ao erro do usuário
- O mau funcionamento ocorre devido às alterações
- O mau funcionamento ocorre devido a um movimento ou a uma expedição mais adicional após a instalação
3: O bilhete de ar, o custo do transporte, o hotel, as refeições e 80$ pelo dia serão para a conta do comprador se o coordenador do fabricante tem que dever enviar à fábrica do comprador para manter a máquina durante o período de garantia.