Máquina de corte de aço da bobina
Parâmetros técnicos de I. Principal
|
Parâmetros de aço da bobina
| Material | Aço carbono (4mm) e SS (2mm) |
| Resistência à tração | δb≤450Mpa, δS≤260Mpa | |
| Espessura de aço | 0.4-4.0mm | |
| Largura de aço | 500-1600 (máximo) | |
| Identificação de aço da bobina | φ508mm | |
| Bobina de aço O.D | φ2000mm (máximo) | |
| Peso de aço da bobina | 25T (máximo) | |
|
Parâmetros da talhadeira
| Diâmetro do pivô da faca | φ220mm |
| Material do pivô da faca | 40Cr | |
| Especificação da lâmina | φ220×φ360×20mm | |
| Material da lâmina | 6CrW2Si | |
|
Parâmetros da régua
| Quantidade cortada máxima | 5 PCes (4mm); 20pcs (0.4mm) |
| Precisão da largura | ≤±0.05mm/2M | |
|
Outros parâmetros
| Poder | 380V/50Hz/3Ph |
| Linha velocidade | 0-100m/min | |
| Capacidade | Aproximadamente 250 quilowatts | |
| Linha inteira dimensão | 25m (L) X8m (W) | |
| Operador necessário | 1.mechanical coordenador, trabalhadores 2.common | |
| Linha sentido | Da direita para a esquerda (cara a fazer à máquina) |
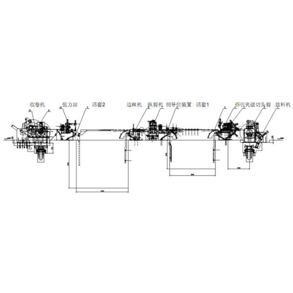
II. excesso
Seja da direita para a esquerda: →Press do car→Decoiler da bobina da entrada e carro de bobina device→Hydraulic do →Recoielr→Exit do suporte do winder→Looper 2→Tension de Slitter→Scrap do device→ do guia do cutter→Looper 1→Side da pitada

III. dispositivo composto
| Nome
| Quantidade |
| Carro de bobina da entrada
| 1 unidade |
| Decoiler hidráulico
| 1 par |
| Imprensa hidráulica e dispositivo da pitada
| 1 unidade |
| Cortador hidráulico
| 1 unidade |
| Looper 1
| 1 unidade |
| Dispositivo do guia lateral
| 1 unidade |
| Talhadeira
| 1 unidade |
| Dobadoura da sucata
| 1 unidade |
| Looper 2
| 1 unidade |
| Suporte da tensão
| 1 unidade |
| Recoiler
| 1 unidade |
| Carro de bobina da saída
| 1 unidade |
| Sistema hidráulico
| 1 grupo |
| Sistema elétrico
| 1 grupo |