60KPA - 100KPA enraíza o tipo giratório refrigerar de água do ventilador BKW6008 do lóbulo
Sobre BKW
O ventilador das raizes da série de BKW herda o projeto da série de BK. Adota refrigerar de água na tampa do rolamento, que
pode abaixar a temperatura do rolamento para prolongar a vida útil do rolamento e permiti-la mais altamente
exerça pressão sobre a aplicação.
Especificações
|
Modelo |
BKW6008 |
|
Capacidade do ar |
6.38-18.39m3/min |
|
Pressão diferencial da descarga |
60-100KPA |
|
Velocidade giratória |
850-1800rpm |
|
Volume da água refrigerando |
8 L/MIN |
|
Tipo do motor |
15-45KW |
|
Tipo do motor |
Padrão: Motor de Siemens Beide ou de Wannan |
|
Tipo da instalação |
Padrão: tipo horizontal. |
|
N.W. do ventilador sem motor |
305kg |
|
Tamanho da embalagem aproximadamente. |
1.5*1.05*1.75m (length*width*height) |
|
Características |
1. adotando a água ao rolamento refrigerando para a aplicação de alta pressão |
Folha do parâmetro
| Arte não. | Velocidade | Capacidade da entrada (m3/min)epoderdoeixo(quilowatt)sobaváriapressão | |||||||||
| 0.6kgf/cm2 | 0.7kgf/cm2 | 0.8kgf/cm2 | 0.9kgf/cm2 | 1.0kgf/cm2 | |||||||
| 6000mmH2O | 7000mmH2O | 8000mmH2O | 9000mmH2O | 10000mmH2O | |||||||
| 0.06Mpa | 0.07Mpa | 0.08Mpa | 0.09Mpa | 0.1Mpa | |||||||
| RPM | m3/min | Quilowatt | m3/min | Quilowatt | m3/min | Quilowatt | m3/min | Quilowatt | m3/min | Quilowatt | |
| BKW6008 | 850 | 6,69 | 11,44 | 6,38 | 12,85 | ||||||
| 1000 | 8,53 | 13,46 | 8,23 | 15,11 | 7,96 | 17,19 | 7,68 | 19,27 | |||
| 1150 | 10,38 | 15,48 | 10,07 | 17,38 | 9,8 | 19,77 | 9,53 | 22,16 | 9,29 | 24,55 | |
| 1250 | 11,61 | 16,82 | 11,3 | 18,89 | 11,03 | 21,49 | 10,76 | 24,09 | 10,52 | 26,68 | |
| 1400 | 13,46 | 18,84 | 13,15 | 21,16 | 12,88 | 24,07 | 12,61 | 26,98 | 12,36 | 29,89 | |
| 1500 | 14,69 | 20,19 | 14,38 | 22,67 | 14,11 | 25,79 | 13,84 | 28,9 | 13,6 | 32,02 | |
| 1650 | 16,54 | 22,21 | 16,23 | 24,94 | 15,96 | 28,36 | 15,69 | 31,79 | 15,44 | 35,22 | |
| 1800 | 18,39 | 24,22 | 18,08 | 27,2 | 17,81 | 30,94 | |||||
| Diâmetro do porto (milímetro) |
125 (5") | ||||||||||
|
Coooling água |
8 L/MIN | ||||||||||
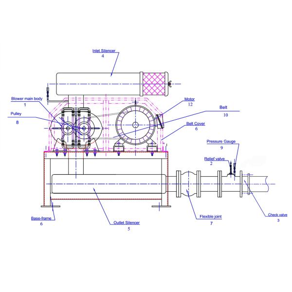
Estrutura do corpo principal do ventilador

Sentido de fluxo da água refrigerando
Desenho de montagem do pacote do ventilador

Fonte padrão do espaço
1. corpo principal do ventilador
2. a pressão alivia a válvula
3. válvula de verificação
4. silenciador da entrada (com filtro de ar)
5. silenciador da tomada
6. público baixo (com tampa da correia)
7. almofada de borracha da junção flexível e do choque
8. polia
9. calibre de pressão
10. correia
11. parafusos e porcas e outras peças da conexão
. motor 12
FAQ
1. Que for a informação deve mim fornecer quando inquérito?
A: Capacidade do ar
B: Pressão
C: Aplicação
D: Use o ambiente (temperatura, a pressão atmosférica)
E: Faz você precisa o motor?
Ou outros specials que você nos dá serão mais apreciados.
2. Que é sua garantia?
Nossa garantia é 12 meses após recebeu o ventilador das raizes. Durante o período de garantia, substitua as peças danificadas para gratuitamente. Para fora período de garantia, para fornecer serviços técnicos oportunos, de alta qualidade e as peças sobresselentes das concessões do preço para assegurar a operação segura e de alta qualidade contínua do equipamento.
3. Quanto tempo é a vida útil das raizes ventilador?
No ambiente normal do uso
Uma vida útil do ventilador é mais de 10 anos.
B a vida útil do impulsor é mais de 60, 000 horas.
C a vida útil do rolamento é mais de 50, 000 horas.
D a vida útil da engrenagem é mais de 60, 000 horas.
4. Que é seus termos da embalagem?
A: Geralmente, nós embalamos nossos bens na caixa livre da madeira compensada da fumigação. Se você registrou legalmente a patente, nós podemos embalar os bens em suas caixas marcadas após ter recebido suas letras da autorização.
5. Como sua fábrica controla a qualidade de produto?
Nós temos o serviço de inspeção da qualidade. Antes de mandar o produto, nós verificamos cada produto. Se há um problema da qualidade, nós produziremos o novo.
6. Que são seus termos de pagamento?
1. TT 30% COMO O PAGAMENTO AVANÇADO E TT 70% APÓS A INSPEÇÃO ANTES DE ENVIAR.
2,100% L/C IRREVOGÁVEL EM STGHT.