Máquina de impressão resfriada a água do refrigerador de parafuso Resfriamento do resfriador para máquina de impressão Resfriador industrial
Resfriador de impressão
Na indústria de impressão, os resfriadores são usados para remover o calor gerado pelos rolos de impressão aquecidos e luzes LED, como impressão a tinta e impressão flexográfica. Eles precisam de água fria de cerca de 12 ℃ para que o sistema evite danos aos componentes sensíveis ao calor, como luzes LED.Um resfriador central de unidade pode resfriar váriosrolos e luz LEDem uma linha. O resfriador industrial fornece temperatura constante e fluxo constante de água gelada para a linha de produção, para aumentar a velocidade de produção, garantir a produção eficiente.
Especificação do resfriador de impressão
|
Modelo
|
AGS-180WSH |
| capacidade nominal de refrigeração |
kcal/h |
594518 |
| kw |
691,3 |
| potência de entrada |
kw |
137 |
| corrente máxima de funcionamento |
UMA |
311.3 |
| fonte de energia |
3PH-380V-50HZ |
| refrigerante |
modelo |
R22 |
| tipo de controle |
válvula de expansão |
| compressor |
modelo |
parafuso semi-hermético |
| quantidade |
1 |
| modo de inicialização |
Y-△ |
| controle de capacidade |
0-25-50-75-100 |
| evaporador |
modelo |
carcaça e tubos |
| fluxo de fluido resfriado (m3/h) |
118,9 |
| Diâmetro do tubo (polegadas) |
6 |
| condensador |
modelo |
carcaça e tubos |
| fluxo de água de resfriamento (m3/h) |
142 |
| Diâmetro do tubo (polegadas) |
6 |
| proteção de segurança |
proteção contra sobretemperatura do compressor, proteção contra sobrecarga, proteção contra alta e baixa pressão, proteção contra fluxostato, proteção contra fase invertida e ausente, proteção anticongelante, proteção fusível. |
| dimensão |
milímetros |
4250*1350*1760 |
| peso líquido |
kg |
2630 |
| peso de corrida |
kg |
2920 |
Características dos chillers de parafuso de água refrigerados a água
- Os resfriadores de parafuso refrigerados a água Anges têm grande capacidade de resfriamento de 120kwand 1600kw.A temperatura da água gelada fornecida está dentro de uma faixa de 5℃-30℃.
- Evaporador do tipo casco e tubo de alta eficiência para conectar diretamente com o grande tanque de água.
- O condensador de casco e tubo tem baixa temperatura de condensação, bom efeito de resfriamento, adequado para sistemas de refrigeração médios e grandes.
- O controle de capacidade do compressor do chiller parafuso pode ser usado em quatro estágios (100%-75%-50%-25%) ou três estágios (100%-66%-33%) e nenhum sistema de controle de estágio.
- Sistema de controle PLC, controlador integrado, operação totalmente automática, para fornecer aviso de falha.
- Dispositivos de segurança completos estão equipados, incluindo sobretemperatura do compressor, sobrecorrente, alta e baixa pressão, sobretemperatura, interruptor de fluxo, etc.
Benefício de aplicações de resfriamento de processo de impressão
- Os resfriadores de parafuso resfriados a água podem fornecer com precisão a temperatura necessária para a fabricação de impressão e melhorar amplamente a eficiência e a qualidade do produto.
- A capacidade de manter um controle constante e preciso da temperatura do processo de impressão.
- O fluido de resfriamento pode ser fornecido diretamente à fonte de calor da aplicação para garantir uma produção segura e eficiente.
- Capacidade de controle de temperatura preciso, para garantir produtos finais da mais alta qualidade.
- Os sistemas de resfriamento de água evitam danos a componentes industriais sensíveis ao calor, evitando o tempo de inatividade de reparo indesejável que pode retardar ou até mesmo interromper a produção completamente.
Como selecionar o modelo do chiller?
- Precisamos saber a carga de calor do seu processo ou a capacidade de resfriamento do chiller.
- Temperatura da água necessária, pressão da água e taxa de fluxo.
- Aplicação e alimentação no local.
- máx.Temperatura ambiente em dia de verão
- Especificações especiais personalizadas são aceitáveis.Entre em contato conosco para obter mais especificações do chiller pelo número +86 13923791048.
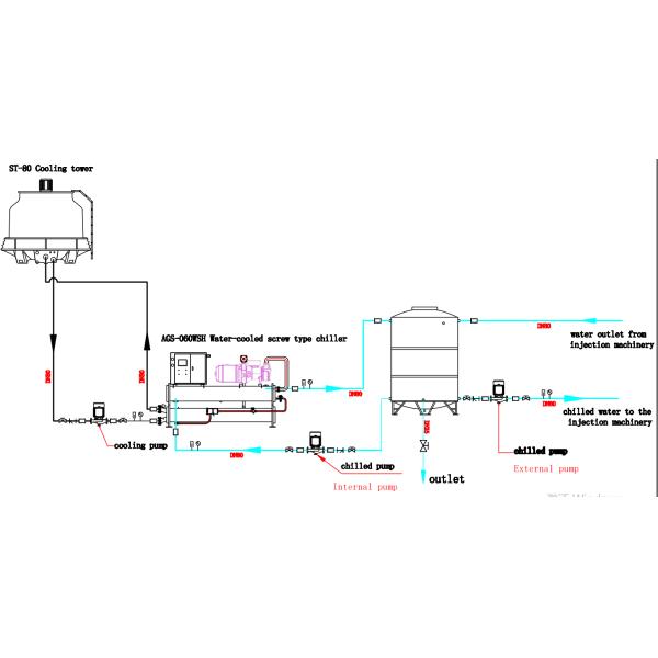
Layout de instalação do sistema de resfriador de parafuso refrigerado a água
