Transformador DA101C do modo do interruptor/perfil baixo de DA102C para jogos de vídeo
DESCRIÇÃO:
A escala audio de Digitas dos transformadores é
projetou melhorar o equilíbrio do transmissor
e circuitos do receptor no equipamento de alta fidelidade,
jogos de vídeo e a outra exigência das aplicações
transmissão audio digital de capacidade elevada.
Complacente com recomendações de AES/EBU para
relação audio digital, derivação aperfeiçoada de oferecimento
capacidade entre preliminar e secundário
enrolamentos. Capaz do funcionamento sobre o áudio
escala de frequência da taxa de dados, fornecendo o isolamento de
ruído 50-60Hz.
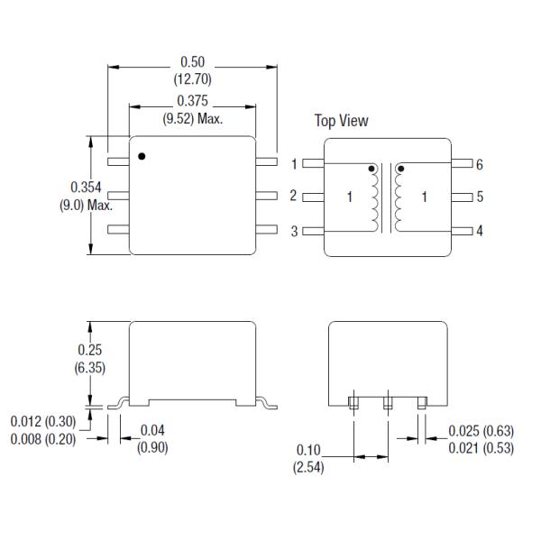
| Código | Relação das voltas | Preliminar Indutância mH | Máximo. Escapamento Indutância (100kHz, 10mV) μH | Volt-tempo mínimo Vμs | Perda do retorno mínima DB | Tipo. Terra comum DB | Isolamento Vrms |
| DA101C | 1:1 | 1.00 - 2,06 | 0,26 | 15 | 46,80 | 52,10 | 2000 |
| DA102C | 1:1 | 2.00 - 3,90 | 0,39 | 20 | 40,40 | 49,70 | 2000 |
| DA103C | 1:1 | 4.00 - 7,75 | 0,91 | 28 | 36,30 | 46,40 | 2000 |
