Transformador do Flyback de 750315778 SMPS para fontes de alimentação industriais e médicas
Características
Aplicações
Propriedades elétricas:
|
PARÂMETRO |
CONDIÇÕES DE TESTE |
VALOR |
|
D.C. RESISTÊNCIA 1-3 |
@20℃ |
0,053 ohms ±20% |
|
D.C.RESISTANCE 5-6 |
@20℃ |
0,085 ohms ±10% |
|
D.C. RESISTÊNCIA 7-12 |
laço (7+8+9,10+11+12), @20℃ |
0,010 ohms máximo |
|
INDUTÂNCIA 1-3 |
10kHz, 100mVAC, Ls |
62.0uH ±10% |
|
CORRENTE DE SATURAÇÃO 1-3 |
rolloff de 20% da inicial |
5.2A |
|
INDUTÂNCIA 1-3 DO ESCAPAMENTO |
laço (5+6,7+8+9+10+11+12), 100kHz, 50mVAC, Ls |
tipo 557nH., máximo 836nH. |
|
DIELÉTRICO 1-12 |
laço (7+8+9,10+11+12), 1875VAC, 1 segundo |
1500VAC, 1 minuto |
|
VOLTAS RATI0 |
(1-3): (5-6) |
3.19:1, ±1% |
|
RELAÇÃO DAS VOLTAS |
(1-3): (12-7), laço (7+8+9, 10+11+12) |
3.19:1, ±1% |
Transformador do Flyback de 750315778 SMPS para fontes de alimentação industriais e médicas
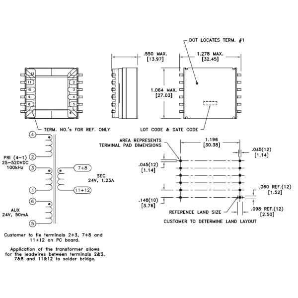
Forma e dimensões:

Imagem do produto:

Transformador do Flyback de 750315778 SMPS para fontes de alimentação industriais e médicas
Sobre nós
A tecnologia CO. de ShareWay, LTD. é um fabricante especializado de componentes do ponto de entrada, produtos inclui o transformador do ponto de entrada, ponto de entrada RJ45 Magjack, ponto de entrada Lan Transformer, filtro do Lan do ponto de entrada, e assim por diante.
Estabelecidos em 1998, nós temos o pessoal ao redor 500 presentemente. Com a capacidade produtiva abundante, nós podemos entregar dentro de um curto período de tempo os bens. Além disso, nós podemos fornecer uma solução completa profissional para aplicações do ponto de entrada. Nossos produtos são amplamente utilizados no equipamento dos trabalhos em rede e de comunicação tal como cartões do CUBO, de PC, interruptor, rota, PC Mainboard, ASAO, PDH, e modens de xDSL.
História da empresa
A tecnologia 1997 de ShareWay CO., LTD. foi fundada em Shenzhen, Guangdong, China. Comece a venda
LAN Transformers discreto, linha transformador de T1/E1 e de xDSL.
Base estabelecida 1999 em Shenzhen, começo da produção produzindo os transformadores do ponto de entrada, T1/E1
e linha transformador de xDSL.
2000 obteve a certificação ISO9000.
2000 desenvolva o conector do ponto de entrada RJ45 que é com transformadores do LAN.
2002 desenvolva SMT e o conector vertical do ponto de entrada RJ45 com magnético.
2008 desenvolva o indutor e os bloqueadores do poder de SMT/DIP
Contacte-nos agora para ter uma solução para seu projeto e projeto novo, nós estamos sempre prontos para compartilhar de nossa maneira bem sucedida com você.
COMO PEDIR
1. Envie-me por favor sua folha de dados ou número da peça que você precisa.
2. Nós ofereceremos a cotação da substituição para sua referência
3. As amostras grátis estão disponíveis para sua aprovação.
4. Depois que os testes de amostra, nós pisarão na ordem maciça.
5. A fatura do formulário enviará para sua confirmação
6. Depois que os bens são terminados, nós enviamos-lhe os bens e dizemos-lhe o número de referência.
7. Nós seguiremos seus bens até que você receba os bens.
Observações:
1. as ordens da amostra estão disponíveis.
2. o preço é negociável para ordens de grandes quantidades.
3. as ordens personalizadas (ordens de OEM/ODM) estão disponíveis.
4. contacte-nos para a lista disponível dos sabores. Certificações internacionais:
1. ISO9001: 2008
2. UL
3. alcance
4. RoHs
Nosso serviço:
1. 100% testado antes de enviar
2. Tenha alternativas para o halo, o Pluse, o Nós-em linha, Chilisin, e Coilcraft ...... a mesma qualidade mas melhor preço
3. amostras grátis disponíveis
4. forneça o projeto novo para o cliente