Características dos transformadores BX615xNL, BM615xNL e BMU6210NL de uma comunicação de linha elétrica de SMT (PLC)
Aplicação típica dos transformadores BX615xNL, BM615xNL e BMU6210NL de uma comunicação de linha elétrica de SMT (PLC):
Características e códigos pedindo
| Comerciante PN | Shareway PN | Relação +-2% N1 das voltas: N2: N3 | OCL (uH) | RCI (mOhm máximo) | RCI (mOhm máximo) | RCI (mOhm máximo) | Perda da inserção (DB máximo) | Resistência de isolação (minuto de MΩ em 100V) | Indutância do escapamento (uH) máxima | Cww (PF máximo) | Olá!-potenciômetro (VAC) | AEC-Q200 qualificou | Classe da isolação | Afastamento (minuto do milímetro) | Tamanho do pacote (milímetros) |
| BX6150NL | SBM6150NL | 1:2CT: 1 | 12 | 500 | 500 | 500 | - | - | - | - | 3000 | NÃO | Suplementar | 13,4 *15.0*6.5 | |
| BX6152NL | SBM6152NL | 1:1: 2 | 7 | 250 | 250 | 500 | - | - | - | - | 3000 | NÃO | Reforçado | 10.3*14.0*7.6 | |
| BX6153NL | SBM6153NL | 1:1 | 7 | 500 | 500 | - | - | - | 25 | 4000 | NÃO | Reforçado | 10.3*14.0*7.6 | ||
| BX6158NL | SBM6158NL | 1:1: 1 | 20 | 65 | 65 | 65 | 1,2 | 1 | - | - | 3000 | NÃO | Suplementar | 10.4*15.1*7.3 | |
| BMU6201NL | SBM6201NL | 1:1: 1 | 5 | 500 | 500 | 500 | - | - | 0,5 | - | 500 | TESTADO | Funcional | - | 5.0*8.1*3.9 |
| BM6154NL | SMB6154NL | 1:1: 1 | 8 | 60 | 60 | 60 | 2,25 | 1 | - | - | 3000 | TESTADO | Funcional | 2,5 | 10.6*12.4*10.0 |
| BM6155NL | SMB6155NL | 1:1: 1 | 28 | 100 | 100 | 100 | 2 | 1 | - | - | 3000 | TESTADO | Funcional | 2,5 | 10.6*12.4*10.0 |
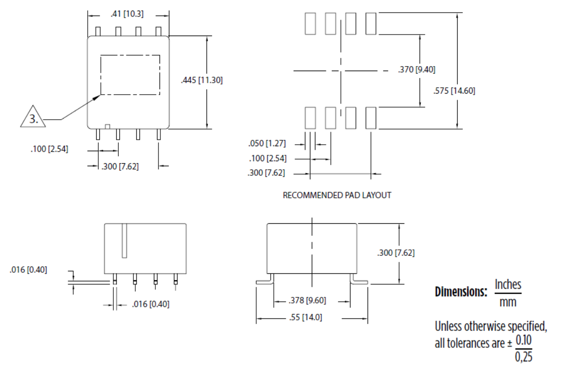
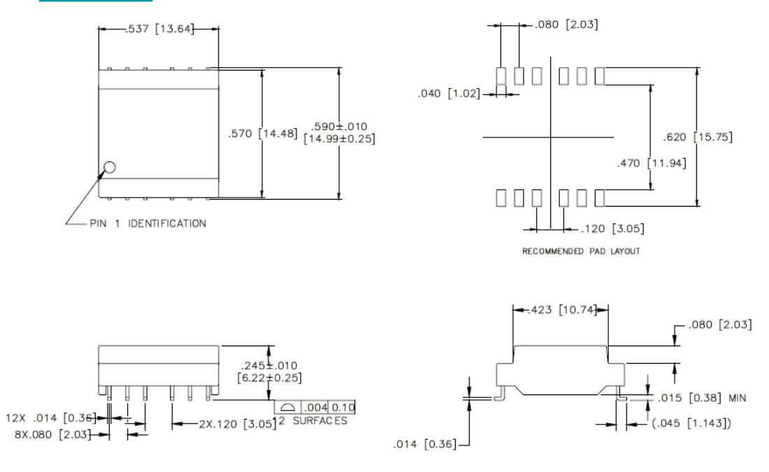
Forma e dimensões:




Que é transformador da linha elétrica?
Os transformadores da linha elétrica são associados com os trabalhos em rede da casa e foram usados tradicionalmente primeiramente estendendo o alcance de conexões do LAN do router ou do modem central no escritório domiciliário, sem a necessidade de adicionar a fiação nova à construção. Removendo o desenvolvimento do cabo Cat5 a cada sala, e nos locais onde uma solução sem fio poderia ser problemática, o uso do anel do poder de canos principais apoiar sinais de dados é rápido, fácil com confiança provada. Isto faz agora a ideia baseada PLC das relações de comunicações para a fora-grade, “sistemas do armazenamento de apoio da energia verde” e pontos de carregamento automotivos para veículos elétricos.
Estas séries novas do PLC de Shareway em pacotes de SMD oferecem o isolamento alto até 4KV e a vária classe da isolação de funcional ao reforçado através do TX/RX híbrido: LINHA (1:1: 1) gerencie a relação. Este fósforo com os chipset de faixa larga principais do PLC, operando-se na escala de frequência wideband de 3 – 30MHz, do mercado que conduz PLC IC e vendedores do transceptor.
A escala inclui SBM6201NL, que tem uma pegada pequena de 5x8mm e caracteriza a isolação funcional em 500V para sistemas de BMS em blocos da baixa tensão (>450v) e no tamanho mais convencional os pacotes de 10 x de 14mm que caracterizam a classe da isolação de uma categoria mais alta (suplementar ao reforçado) em ambos os industriais (- 40C a 85°C) e automotivo (- 55°C 125°C) às categorias da temperatura para o uso exterior extremo.
O SBM6150NL está combinado especificamente ao chipset da máxima 2980/2986 que emparelha-se, quando os SBM6152/53NL e os SBM6158NL forem mais genéricos e puderem fornecer a opção diferente para o GreenPHY de Qualcomm – INT5500/INT1200 de QCA700x, de Intellon e de ST2100 IC de STMicro séries.
Os SBM6154NL e os SBM6155NL apoiam o isolamento suplementar por IEC/UL62368 (tensão de funcionamento 250Vrms) para o transceptor STM2001 do PLC de STMicro e podem ser feitos em uma fábrica certificada IATF para aplicações críticas do drivetrain da missão e o BMU6201NL que é qualificado para os chipset de Qualcomm QCA700x para as relações externos do carregador entre o OBC e a unidade do carregador, detectando falhas de V2G e eliminando o poder.
O estoque das amostras está disponível para o desenhista interessado em soluções a construção com comunicações de linha elétrica para o carregamento exterior da casa, do escritório, o comercial e o industrial de EV e de bateria.
Porque nós?
Trabalhando com os clientes SUPERIORES mundiais do tipo que incluem Honeywell, Jabil, e redes NorthBound, com prazo de execução rápido e de alta qualidade,
nós fazemos sempre nossos clientes felizes, você poderíamos ser seguinte:).
Shareway é o fornecedor preferido de Honeywell.
Shareway ST0531NL é usado no alarme Honeywell da segurança.
Jabil é o OEM para este projeto.
Shareway é o fornecedor preferido de redes NorthBound.
Shareway SRJ2113ABNL é usado em redes NorthBound do interruptor de FX OpenFlow do ZODÍACO.
As redes NorthBound são o OEM para este projeto.


Q: Posso eu ter amostras para a qualidade de teste?
: Sim, você pode comprar algumas amostras de alguns de nossos produtos para a qualidade e o mercado de teste
Q: Que é o prazo de entrega se nós colocamos uma ordem?
: depende das quantidades da ordem. Geralmente, nós podemos entregar bens dentro de 3-5 dias de trabalho para ordens pequenas, para umas quantidades mais grandes, deixamos-nos confirmar quando você coloca a ordem oficial.
Q: Você aceita OEM/ODM?
: Nós apoiamos serviços de OEM/ODM, nós transformamos sua ideia na realidade.
Q: Posso eu ter meu próprio logotipo nos produtos?
Sim, você pode pôr seu logotipo sobre os produtos com a quantidade exigida da ordem. Por favor apenas para enviar-nos a informação sobre seu logotipo.