SS316 Selo estacionário de mola única, anel, selo de bomba industrial
A vedação mecânica é um dispositivo de vedação do eixo que atinge a resistência à fuga sob a ação da pressão do fluido e da força elástica ou da força magnética do mecanismo de compensação,com um par ou mais pares de faces terminais deslizantes relativas perpendiculares ao eixo.
Existe uma lacuna circunferencial entre o poço e o equipamento, o meio no equipamento vaza para fora através desta lacuna, se a pressão no equipamento for inferior à pressão atmosférica,fugas de ar no equipamentoDeve haver um dispositivo de vedação do eixo para evitar fugas.

|
Desempenho de vedação fiável |
| Instalação fácil |
|
Duração da vida |
| Manutenção fácil |
| Ampla aplicação |

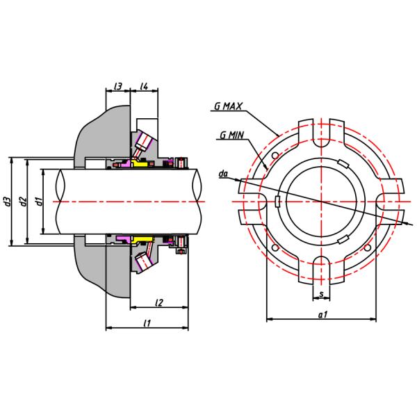
| d1 | 20 mm |
| d2 | 37 mm |
| da | 100 mm |
| a1 | 59 mm |
| - Não. | 20 mm |
| L2 | 67 mm |
| G. Max. | 87 mm |
| G.Min. | 70.6 mm |
| S | 14 |
Selo mecânico é adequado para uma variedade de meios, temperatura, vedação de pressão, tem uma gama relativamente ampla de aplicações
O nosso produto de vedação mecânica foi concebido para fornecer soluções de vedação fiáveis e eficazes para uma variedade de aplicações industriais.A nossa equipa de técnicos e engenheiros experientes está empenhada em fornecer apoio técnico e serviços excepcionais para garantir a satisfação dos nossos clientes.
Oferecemos o seguinte apoio técnico e serviços:
O nosso objectivo é fornecer aos nossos clientes produtos e serviços da mais alta qualidade para satisfazer as suas necessidades específicas.Entre em contato conosco hoje para saber mais sobre o nosso produto Mechanical Seal e como podemos ajudá-lo.
Embalagem do produto:
O produto Disc Filter será embalado numa caixa de papelão robusta para garantir o transporte seguro. Cada filtro será envolto individualmente em papel borbulhante para evitar qualquer dano durante o transporte.A caixa será rotulada com o nome do produto, quantidade e instruções de manuseio.
Transporte marítimo:
O produto Disc Filter será enviado via envio terrestre padrão. Os clientes podem esperar que seu pedido chegue dentro de 5-7 dias úteis.As opções de envio acelerado estão disponíveis por um custo adicionalOs custos de envio serão calculados no checkout com base na localização do cliente e no peso da encomenda.
P:Qual é a marca do selo mecânico?
A:A marca é UNIVEE.
P:Qual é o número de modelo do selo mecânico?
A:O número do modelo é U-MS-20.
P:Onde é fabricado o selo mecânico?
A:A vedação mecânica é fabricada na China.
P:Qual é o intervalo de temperatura para a vedação mecânica?
A:A vedação mecânica pode funcionar em temperaturas que variam de -20°C a 180°C.