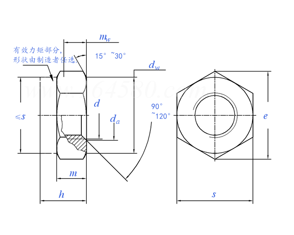
De acordo com a espessura nominal da porca de hexágono é dividido em I, em II e em três tipos finos. As porcas acima da categoria 8 são divididas em dois tipos: o tipo - 1 e tipo tipo de II. eu porcas de hexágono sou o mais amplamente utilizado, e tipo - as porcas 1 é dividido em A, B, níveis de C três, de que as porcas do nível de A e de B são apropriadas para exigências pequenas da aspereza de superfície e da elevada precisão das máquinas, do equipamento e da estrutura, quando as porcas do nível de C forem usadas para a superfície áspera e baixas exigências da precisão das máquinas, do equipamento ou da estrutura; Tipo - a espessura da porca de hexágono 2 é mais grossa, mais frequentemente na necessidade de montar e desmontar a ocasião.



