IP65 380V 4KW 5.5KW 7.5KW 11KW inversor solar da bomba de 3 fases para o sistema de irrigação
Introdução
A movimentação solar da bomba de VFD510-PV é um inversor impermeável da categoria da proteção alta para a bomba de água. O produto tem o desempenho de software excelente e a função de MPPT a ser adaptável a todo o tempo nebuloso obter o poder e a saída máximos da água. O hardware robusto é projetado com confiança alta e operação fácil de usar.
VFD510-PV que o inversor solar da bomba pode ser usado para todos os tipos do sistema de bomba solar pode ser aplicado na área com a falta da luz do sol e das áreas da eletricidade., especialmente apropriada para as ocasiões que têm exigências restritas no custo de sistema, na confiança, e no ambiente do uso.
Vantagem
O inversor de bombeamento solar de VEIKONG VFD510-PV é projetado especialmente para o sistema molhando. Uma eficiência de conversão alta de 99% e avançou a tecnologia de MPPT faz a energia solar usou-se inteiramente. Converte a alimentação de DC na C.A. conduzir todos os tipos dos motores.
O projeto inteligente protege as bombas de muitos casos anormais, tais como a sobre-carga, a sobretensão, a seco-corrida, o superaquecimento, de baixa frequência e etc.
Opera-se sem grade diretamente das pilhas (picovolt) fotovoltaicos;
Começo e parada automáticos com radiação solar;
Seguimento máximo incorporado do ponto de poder (MPPT);
A instalação e instalação fáceis para a produção de série;
Compatível com todos os tipos da bomba;
Capacidade dupla da fonte com mudança sobre o interruptor - solar e grade compatível;
Função de poupança de energia e função deaprendizagem da corrida seca;
Capacidade antiparasitária forte, conveniente para o conjunto do inversor;
A categoria da proteção IP65, adapta-se aos vários ambientes internos e exteriores ásperos.
|
|
220V |
380V |
|
Tensão de C.C. máxima da entrada (VOC) |
450V |
800V |
|
Escala da tensão de C.C. |
200~450VDC |
350~800VDC |
|
A C.C. recomendada entrou escala da tensão (Vmpp) |
250V-400V |
450V-600V |
|
Operação entrada recomendada Tensão |
305V (Vmpp) |
530V (Vmpp) |
|
Eficiência de MPPT |
>99% |
|
|
Tensão da saída avaliado |
1/3-phase 220VAC |
3-fase 380-480VAC |
|
Escala de frequência da saída |
50/60Hz |
|
|
Eficiência máxima da máquina |
99% |
|
|
Variação da temperatura ambiental |
-10 °C °C~50, derating se a temperatura está acima do °C 40 |
|
|
Método refrigerando |
Refrigerar de ar |
|
|
Grau da proteção |
IP65 |
|
|
Altura |
Abaixo de 1000m; acima de 1% para cada 100m adicional. |
|
|
Padrão |
CE/ROHS |
|
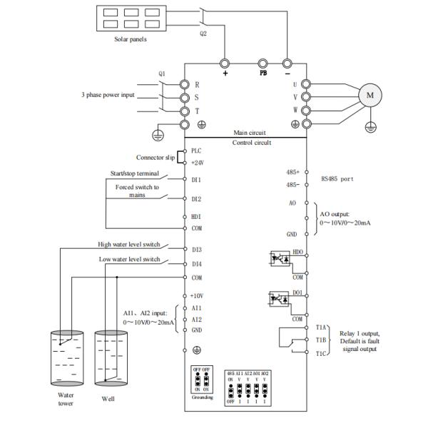
Dimensão de VFD510-PV e conexão de cabo elétrico

Aparência


Aplicação do produto


FAQ
1. Você aceitaria para usar nosso logotipo?
Nós forneceríamos a ordem livre do OEM dependemos de sua quantidade.
2. Onde está seu mercado?
Nossos produtos são populares pelo mundo inteiro como seu desempenho eficaz na redução de custos.
Nós esperamos que você pode se juntar nos e fazer o benefício mútuo de nossa cooperação do prazo e da co-vitória.
3. São todos os inversores originais?
Naturalmente, nós fazemos somente o produto original, porque nós temos uma equipe técnica forte e profissional.