Encalhamento Nano do cabo de Diamond Coating Wire Cable Accessories e dado de compressão
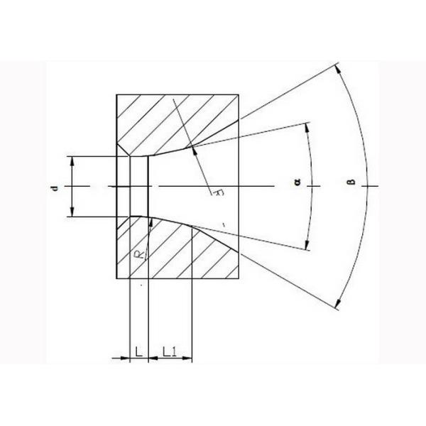
| OD*Height (milímetros) | Escala do furo (milímetro) - d | Ângulo da redução (°) - α | Altura da zona da redução (milímetro) - L1 | Carregando o comprimento (milímetro) - L | β (°) |
| 20*17 | 3-6 | 26-30 | 5-6 | 1-2 | 60-80 |
| 22*18 | 6-8 | 26-30 | 5-6 | 1.5-2.5 | 60-80 |
| 25*18 | 8-11 | 26-30 | 5-6 | 1.5-2.5 | 60-80 |
| 30*18 | 11-14 | 26-30 | 6-8 | 2.0-3.0 | 60-80 |
| 35*22 | 14-16 | 26-30 | 6-8 | 2.0-3.0 | 60-80 |
| 38*22 | 16-19 | 26-30 | 6-8 | 2.5-3.5 | 60-80 |
| 40*25 | 19-21 | 26-30 | 8-10 | 2.5-3.5 | 60-80 |
| 45*24 | 21-24 | 26-30 | 8-10 | 3.0-4.0 | 60-80 |
| 50*28 | 24-28 | 26-30 | 8-10 | 3.0-4.0 | 60-80 |
| 60*30 | 28-37 | 26-30 | 10-12 | 3.5-4.5 | 60-80 |
| 70*35 | 37-42 | 26-30 | 10-12 | 4.0-5.0 | 60-80 |
| 75*35 | 42-50 | 26-30 | 12-14 | 5.0-6.0 | 60-80 |
| 85*40 | 50-60 | 26-30 | 12-14 | 6.0-7.0 | 60-80 |

| Contraste de três tipos que comprimem dados (tamanho 29.00mm) | |||
| Artigo | TC | PCD | NDCD |
| Salvar o poder | Desperdício muito | Desperdice um pequeno | A maioria de economias |
| Grão do diamante | 1 μ | 5-40 μ | 0,05 μ |
| Saída | 50 QUILÔMETROS | 1000 QUILÔMETROS | 500-1500 QUILÔMETRO |
| Vida | Curto | Longo | Mais longo |
| Superfície | Bom | Não bom | Excelente |
| Reparo | Muitas vezes | Muitas vezes | Nenhuma necessidade |
| Uniformidade do cabo | Não bom | Bom | 100% excelente |
| Diâmetro mudado | Grande | Um pequeno | Não mudado |
| Al Cu Scale | Muito | Demasiado | NÃO |
| Propriedades elétricas | Não bom | Terra comum | Melhor |
| Suporte a tensão do cabo | Terra comum | Terra comum | Melhor |
| Vida do cabo | Terra comum | Terra comum | O mais altamente |
| Resistência | Não estável | Não estável | Muito estável |
| Eficiência da produção | Ponto baixo | Alto | Alto |
| Taxas do uso | Menos 10% | 30% | 60% |
| Relação de compressão | AL: 0.90-0.90, CU: 0.95-0.97 | ||
| O outro custo | O encalhamento Nano do cabo de Diamond Coating Wire Cable Accessories e o dado de compressão não somente para salvar o custo material, mas igualmente salvar o custo humano, controlam o custo, custo do poder. Ajude-o a ter um ambiente mais claro. | ||
| Acima da informação somente para seu referance | |||